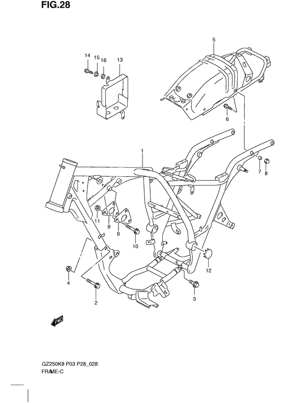
Frame comp
Frame comp
Frame (black) (Ref #1)
1
Part #41100-13F01-EE3
Болт (Ref #2)
2
Part #01550-0860B-000
Болт (Ref #3)
3
Part #01550-0825B-000
Гайка (Ref #4)
4
Part #08316-1008B-000
Brace, rear frame (Ref #5)
5
Part #41580-12FA0-EE3
Bolt (Ref #6)
6
Part #01550-0855B-000
Кольцо/шайба (Ref #7)
7
Part #09180-08208-000
Гайка (Ref #8)
8
Part #08313-20087-000
Plate, engine mount upper (Ref #9)
9
Part #41991-13FA0-EE3
Plate, engine mount upper (Ref #9)
9
Part #41991-13FA0-EE3
Plate, engine mount upper (Ref #9)
9
Part #41991-13FA0-EE3
Plate, engine mount upper (Ref #9)
9
Part #41991-13FA0-EE3
Bolt(8x50) (Ref #10)
10
Part #09103-08289-000
Гайка (Ref #11)
11
Part #08319-3108A-000
CAP,RR SWINGING ARM PIVOT,R (Ref #12)
12
Part #61222-38A01-000
Holder, battery (black) (Ref #13)
13
Part #41540-12FA0-EE3
Bolt (Ref #14)
14
Part #01550-0616B-000
Шайба (Ref #15)
15
Part #09169-06065-000
Cushion (Ref #16)
16
Part #09320-08021-000
