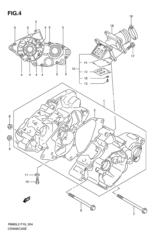
Картер
Картер
Картер (Ref #1)
1
Part #11300-03822-000
Прокладка картера (Ref #2)
2
Part #11481-03B00-000
Стопор (Ref #3)
3
Part #04211-09129-000
BOLT(10X95) (Ref #6)
6
Part #09103-10345-000
BOLT(8X102) (Ref #7)
7
Part #09103-08296-000
Гайка (Ref #8)
8
Part #09159-08067-000
Гайка 10MM (Ref #9)
9
Part #09159-10060-000
Bolt (Ref #10)
10
Part #01500-0816B-000
Шайба (Ref #11)
11
Part #09168-08016-000
Клапан (Ref #12)
12
Part #13150-02B51-000
Стопорный клапан (Ref #13)
13
Part #13152-02B50-000
Клапан (Ref #14)
14
Part #13153-02B40-000
Винт 3X6 (Ref #15)
15
Part #02112-0306B-000
Пластина замка (Ref #16)
16
Part #08321-2103B-000
Bolt (Ref #17)
17
Part #01547-06207-000
Труба впускная (Ref #18)
18
Part #13110-03B01-000
Clamp (Ref #19)
19
Part #09402-42208-000
-
1813110-03B00-000
Труба впускная
1Replaced by 13110-03B01-000 Доступно: Нет в наличии
