Oil pump
Oil pump
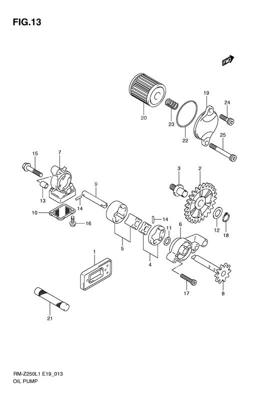
VALVE ASSY,OIL REED (Ref #1)
1
Part #13150-28H00-000
GEAR,OIL PUMP IDLE (Ref #2)
2
Part #16321-49H00-000
SHAFT,OIL PUMP IDLE GEAR (Ref #3)
3
Part #16322-49H00-000
ROTOR SET,OIL PUMP NO.1 (Ref #4)
4
Part #16410-49H00-000
Комплект ротора, масляный насос (Ref #5)
5
Part #16410-45G00-000
Cover comp,oil pump no.1 (Ref #6)
6
Part #16430-49H01-000
COVER,OIL PUMP NO.2 (Ref #7)
7
Part #16433-49H00-000
SHAFT,OIL PUMP DRIVEN GEAR (Ref #8)
8
Part #16440-49H00-000
SHAFT,OIL PUMP NO.2 (Ref #9)
9
Part #16443-28H00-000
STRAINER,OIL PUMP NO.2 (Ref #10)
10
Part #16530-49H00-000
SHIM(8X12X0.8) (Ref #11)
11
Part #09181-08106-000
Шайба (Ref #12)
12
Part #09181-10158-000
Стопор (Ref #13)
13
Part #09206-08001-000
PIN(2.5X11.8) (Ref #14)
14
Part #09261-02008-000
PIN(2.5X11.8) (Ref #14)
14
Part #09261-02008-000
PIN(2.5X11.8) (Ref #14)
14
Part #09261-02008-000
PIN(2.5X11.8) (Ref #14)
14
Part #09261-02008-000
Болт (Ref #15)
15
Part #01547-0635A-000
Bolt (Ref #16)
16
Part #07120-0512A-000
Болт (Ref #17)
17
Part #07130-0520B-000
Circlip (Ref #18)
18
Part #08331-31109-000
CAP,ENG OIL FILTER OUTER (Ref #19)
19
Part #16315-35G40-000
FILTER ASSY,ENGINE OIL (Ref #20)
20
Part #16510-35G00-000
Фильтр spule (Ref #21)
21
Part #16520-10H00-000
Кольцо уплотнительное (Ref #22)
22
Part #09280-39001-000
Пружина (Ref #23)
23
Part #09440-10038-000
Болт (Ref #24)
24
Part #01547-0616A-000
-
616430-49H00-000
Cover comp,oil pump no.1
1Replaced by 16430-49H01-000 Доступно: Нет в наличии
