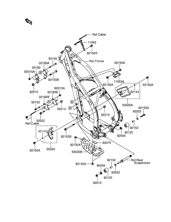
Frame fitting

Frame fitting

Frame fitting
+ -
  • 11053A
    K1105-30473-000

    Кронштейн катушки зажигания

    1
    Replaced by K1105-31300-000 Доступно: Нет в наличии
  • 11053
    K1105-30123-000

    Кронштейн зажигания

    1
    Доступно: Нет в наличии
  • 11053A
    K1105-31300-000

    BRACKET,IGNITION COIL

    1
    Доступно: Нет в наличии
  • 32190B
    K3219-00070-000

    BRACKET ENGINE,FR

    2
    Доступно: Нет в наличии
  • 32190A
    K3219-00015-000

    BRACKET-ENGINE,UPP,RH

    1
    Доступно: Нет в наличии
  • 32190
    K3219-00014-000

    BRACKET-ENGINE,UPP,LH

    1
    Доступно: Нет в наличии
  • 55020B
    K5502-00055-000

    Щит двигателя

    1
    Доступно: Нет в наличии
  • 55020A
    K5502-00024-000

    GUARD,ENGINE,FR,RH

    1
    Доступно: Нет в наличии
  • 55020
    K5502-00023-000

    GUARD,ENGINE,FR,LH

    1
    Доступно: Нет в наличии
  • 92002
    K9200-21576-000

    BOLT,ARM,10MM

    1
    Доступно: Нет в наличии
  • 92015A
    K9201-51432-000

    Гайка,8MM

    4
    Доступно: Нет в наличии
  • 92015
    K9201-51339-000

    Гайка,6MM

    1
    Доступно: Нет в наличии
  • 92022
    K9202-21629-000

    WASHER,8.5X22X1.5

    2
    Доступно: Нет в наличии
  • 92045
    K9204-51009-000

    BEARING-BALL,608LLU/2A

    2
    Доступно: Нет в наличии
  • 92075
    K9207-51054-000

    Амортизатор

    1
    Доступно: Нет в наличии
  • 92122
    K9212-21216-000

    ROLLER,CHAIN GUIDE

    2
    Доступно: Нет в наличии
  • 92143
    K9214-31307-000

    Collar

    2
    Доступно: Нет в наличии
  • 92150
    K9215-01214-000

    Болт,8X50

    2
    Доступно: Нет в наличии
  • 92150A
    K9215-01435-000

    Болт 6X12

    8
    Доступно: Нет в наличии
  • 92150B
    K9215-01571-000

    Болт,10X42

    1
    Доступно: Нет в наличии
  • 92152
    K9215-21340-000

    COLLAR,8.5X12.5X20.5

    2
    Доступно: Нет в наличии
  • 92153A
    K9215-30585-000

    Болт,8X45

    1
    Доступно: Нет в наличии
  • 92153B
    K9215-30615-000

    BOLT,FLANGED 10X110

    1
    Доступно: Нет в наличии
  • 92153
    K9215-30364-000

    BOLT,FLANGED,8X78

    2
    Доступно: Нет в наличии
  • 92210
    K9221-01080-000

    Гайка,10MM

    3
    Доступно: Нет в наличии