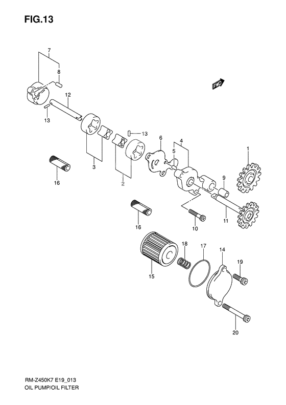
Oil pump/oil filter
Oil pump/oil filter
Шестерня, масляного насоса (Ref #1)
1
Part #16321-35G00-000
Шестерня, масляного насоса (Ref #1)
1
Part #16321-35G00-000
Шестерня, масляного насоса (Ref #1)
1
Part #16321-35G00-000
Шестерня, масляного насоса (Ref #1)
1
Part #16321-35G00-000
ROTOR SET,OIL PUMP NO.1 (Ref #2)
2
Part #16410-35G00-000
Комплект ротора, масляный насос (Ref #3)
3
Part #16410-45G00-000
COVER,OIL PUMP NO.1 (Ref #4)
4
Part #16430-35G00-000
PLATE,OIL PUMP NO.1 (Ref #6)
6
Part #16432-35G10-000
COVER,OIL PUMP NO.2 (Ref #7)
7
Part #16450-35G00-000
Pin (Ref #9)
9
Part #04211-09149-000
Болт (Ref #10)
10
Part #07130-0520B-000
SHAFT,OIL PUMP DRIVEN GEAR (Ref #11)
11
Part #16440-35G10-000
SHAFT,OIL PUMP NO.2 (Ref #12)
12
Part #16442-35G10-000
PIN(2.5X11.8) (Ref #13)
13
Part #09261-02008-000
PIN(2.5X11.8) (Ref #13)
13
Part #09261-02008-000
PIN(2.5X11.8) (Ref #13)
13
Part #09261-02008-000
PIN(2.5X11.8) (Ref #13)
13
Part #09261-02008-000
CAP,ENG OIL FILTER OUTER (Ref #14)
14
Part #16315-35G20-000
FILTER ASSY,ENGINE OIL (Ref #15)
15
Part #16510-35G00-000
Фильтр spule (Ref #16)
16
Part #16520-35G00-000
Фильтр spule (Ref #16)
16
Part #16520-35G00-000
Фильтр spule (Ref #16)
16
Part #16520-35G00-000
Фильтр spule (Ref #16)
16
Part #16520-35G00-000
Кольцо уплотнительное (Ref #17)
17
Part #09280-39001-000
Пружина (Ref #18)
18
Part #09440-10038-000
Болт (Ref #19)
19
Part #07130-0616A-000
Болт (Ref #19)
19
Part #07130-0616B-000
Bolt (Ref #20)
20
Part #07130-0640B-000
