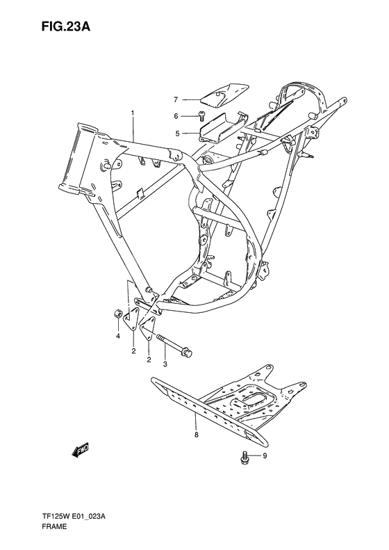
Frame comp Model k5
Frame comp Model k5
Frame (black) (Ref #1)
1
Part #41100-48441-019
PLATE,ENG MTG (Ref #2)
2
Part #41991-48000-000
PLATE,ENG MTG (Ref #2)
2
Part #41991-48000-000
PLATE,ENG MTG (Ref #2)
2
Part #41991-48000-000
PLATE,ENG MTG (Ref #2)
2
Part #41991-48000-000
Bolt (Ref #3)
3
Part #01560-08753-000
Гайка (Ref #4)
4
Part #08319-3108A-000
HOLDER,TOOL (Ref #5)
5
Part #41550-29301-000
Болт (Ref #6)
6
Part #02142-0610A-000
Болт (Ref #6)
6
Part #02142-0610B-000
Ключи (Ref #7)
7
Part #09800-21031-000
PROTECTOR,ENGINE (Ref #8)
8
Part #11910-48400-000
Болт (Ref #9)
9
Part #01580-0820A-000
