Дроссельная заслонка
Дроссельная заслонка
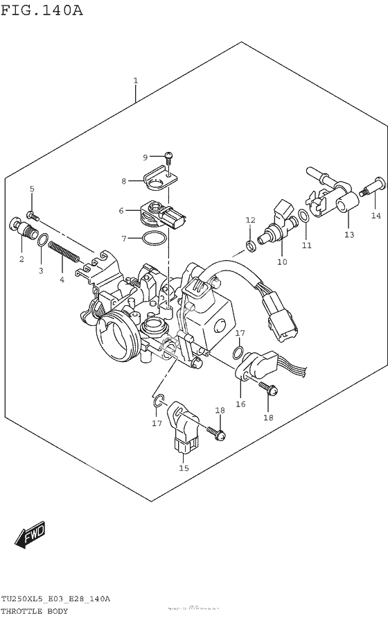
Body assy,throttle (Ref #1)
1
Part #13400-26GA3-000
Болт (Ref #2)
2
Part #13279-26GA0-000
O ring (Ref #3)
3
Part #13295-14G00-000
Пружина (Ref #4)
4
Part #13271-26GA0-000
Болт (Ref #5)
5
Part #13601-14G00-000
Сенсор (Ref #6)
6
Part #15620-05H00-000
O ring (Ref #7)
7
Part #15621-05H00-000
PLATE,MAP SENSOR (Ref #8)
8
Part #15622-33H00-000
Болт (Ref #9)
9
Part #02112-14087-000
INJECTOR ASSY (Ref #10)
10
Part #15710-26GA0-000
O ring (Ref #11)
11
Part #15721-21H00-000
RING,SEAL (Ref #12)
12
Part #15722-21H00-000
PIPE,FUEL (Ref #13)
13
Part #13471-26GA0-000
Болт (Ref #14)
14
Part #13601-35F00-000
SENSOR,THROTTLE (Ref #15)
15
Part #13580-33H01-000
Sensor assy, throttle sub (Ref #16)
16
Part #13580-40F31-000
O ring (Ref #17)
17
Part #13575-40F00-000
Болт (Ref #18)
18
Part #13605-40F00-000
