Головка цилиндра
Головка цилиндра
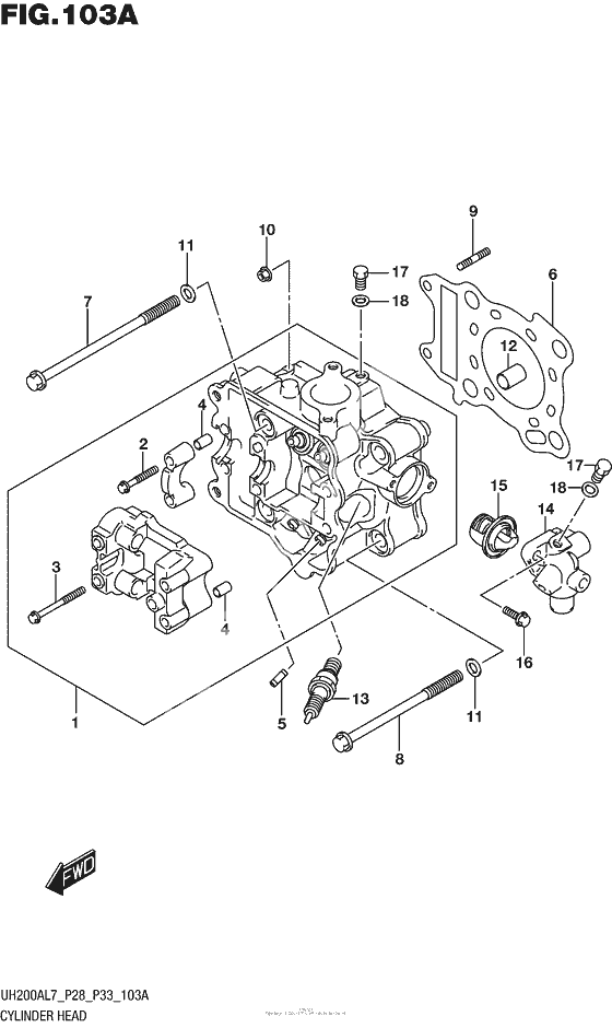
Head assy,cylinder (Ref #1)
1
Part #11100-03HC0-000
BOLT(6X39) (Ref #2)
2
Part #09103-06026-000
BOLT(6X60) (Ref #3)
3
Part #09103-06064-000
Стопор (Ref #4)
4
Part #09206-08001-000
Направляющая клапана (Ref #5)
5
Part #11115-14D71-000
Прокладка головки цилиндров (Ref #6)
6
Part #11141-03H00-000
BOLT(10X175) (Ref #7)
7
Part #09103-10276-000
Bolt(10x145) (Ref #8)
8
Part #09103-10451-000
Болт (Ref #9)
9
Part #01421-0625A-000
Гайка (Ref #10)
10
Part #08316-1006A-000
Кронштейн шарнирный (Ref #11)
11
Part #09160-10082-000
Pin (Ref #12)
12
Part #04211-13189-000
Крышка термостата (Ref #14)
14
Part #17661-14G00-000
Thermostat,water (Ref #15)
15
Part #17670-08D40-000
Болт (Ref #16)
16
Part #01547-0620A-000
Болт крышки термостата (Ref #17)
17
Part #17568-50F00-000
Gasket (6.4x11.5x0.8) (Ref #18)
18
Part #09168-06026-000
-
1517670-08D30-000
Thermostat,water
1Replaced by 17670-08D40-000 Доступно: Нет в наличии
