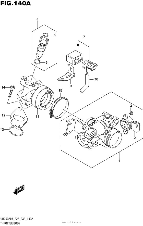
Throttle Body (Uh200Al6 P28)
Throttle Body (Uh200Al6 P28)
Корпус дросселя (Ref #1)
1
Part #13400-03H10-000
Датчик (Ref #2)
2
Part #13580-03H00-000
Болт (Ref #3)
3
Part #13602-03H00-000
Инжектор (Ref #4)
4
Part #15710-03H30-000
O ring (Ref #5)
5
Part #15716-03H00-000
O ring (Ref #6)
6
Part #15717-03H00-000
Сенсор прессуры (Ref #7)
7
Part #15630-29G10-000
Cover (Ref #8)
8
Part #15625-29G00-000
BRACKET,BOOST SENSOR (Ref #9)
9
Part #15640-03H00-000
HOSE,BOOST SENSOR (Ref #10)
10
Part #18598-03H00-000
Труба впускная (Ref #11)
11
Part #13101-49F60-000
Изолятор (Ref #12)
12
Part #13128-03H10-000
O RING(D:2.4,ID:33.7) (Ref #13)
13
Part #09280-34004-000
Болт (Ref #14)
14
Part #01547-0625A-000
Clamp (Ref #15)
15
Part #09402-48208-000
