Электрооборудование (Vl800Bl4 E28)
Электрооборудование (Vl800Bl4 E28)
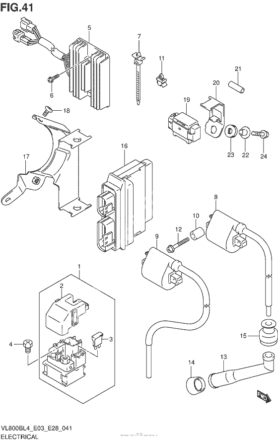
Реле стартера (Ref #1)
1
Part #31800-21E20-000
Крышка (Ref #2)
2
Part #31861-47E00-000
Предохранитель (Ref #3)
3
Part #09481-30101-000
SCREW(6X8) (Ref #4)
4
Part #09128-06013-000
Rectifier assy (Ref #5)
5
Part #32800-47H00-000
Screw (Ref #6)
6
Part #02162-0620B-000
CLAMP(L:90) (Ref #7)
7
Part #09407-11402-000
Катушка зажигания (Ref #8)
8
Part #33410-17G01-000
Катушка зажигания (Ref #9)
9
Part #33420-41F10-000
SPACER(6.4X10X18) (Ref #10)
10
Part #09180-06195-000
Clamp (Ref #11)
11
Part #09403-07308-000
BOLT(5X35) (Ref #12)
12
Part #09106-05033-000
Колпак заглушки (Ref #13)
13
Part #33510-11410-000
Уплотнение (Ref #14)
14
Part #33541-47D00-000
Уплотнение (Ref #15)
15
Part #33542-38B00-000
CONTROL UNIT,FI (Ref #16)
16
Part #32920-39GH0-000
BRACKET,FI CONTROL UNIT (Ref #17)
17
Part #44880-43H00-000
Болт (Ref #18)
18
Part #09139-06108-000
SENSOR ASSY,FUEL CUT (Ref #19)
19
Part #33960-06G10-000
BRACKET,FUEL CUT SENSOR (Ref #20)
20
Part #33961-41F00-000
Шланг топливный (Ref #21)
21
Part #44420-44AR0-000
Прокладка (Ref #22)
22
Part #09180-06325-000
Валик (Ref #23)
23
Part #09320-06017-000
Болт (Ref #24)
24
Part #01547-0616A-000
-
833410-17G00-000
Катушка зажигания
1Replaced by 33410-17G01-000 Доступно: Нет в наличии
