Рычаг прогрессии
Рычаг прогрессии
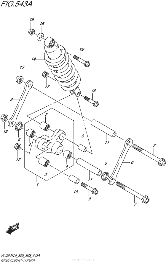
LEVER SET,RR CUSHION (Ref #1)
1
Part #62600-06882-000
BEARING(20X27X26) (Ref #2)
2
Part #09263-20064-000
BEARING(20X27X32) (Ref #3)
3
Part #09263-20116-000
BEARING(22X28X20) (Ref #4)
4
Part #09263-22062-000
SEAL,SWINGING ARM RR (Ref #5)
5
Part #62624-37E00-000
ROD,RR CUSHION (Ref #6)
6
Part #62641-06J00-000
BOLT,RR CUSHION LEVER UPR (Ref #7)
7
Part #62658-44G10-000
SPACER,RR CUSHION LEVER FR (Ref #8)
8
Part #62684-01D00-000
BOLT(14X66) (Ref #9)
9
Part #09103-14016-000
SPACER(14X20X34) (Ref #10)
10
Part #09180-14014-000
SPACER(16X22X105) (Ref #11)
11
Part #09180-16049-000
Гайка (Ref #12)
12
Part #08319-3114A-000
Гайка (Ref #13)
13
Part #08319-3116A-000
ABSORBER ASSY,REAR SHOCK (Ref #14)
14
Part #62100-06JD0-019
BOLT,CUSHION LEVER (Ref #15)
15
Part #62668-42A02-000
BOLT,RR CUSHION LEVER FR (Ref #16)
16
Part #62658-27C10-000
Nut 12mm (Ref #17)
17
Part #08319-3112A-000
SPACER(12.1X25X14.5) (Ref #18)
18
Part #09180-12157-000
Гайка (Ref #19)
19
Part #09159-12056-000
-
162600-06880-000
LEVER SET,RR CUSHION
1Replaced by 62600-06882-000 Доступно: Нет в наличии
-
309263-20074-000
BEARING(20X27X32)
1Replaced by 09263-20116-000 Доступно: Нет в наличии
-
-
Цена: 910.00 р.
Доступно: 2
-
