Электрооборудование (Vz800L6 E33)
Электрооборудование (Vz800L6 E33)
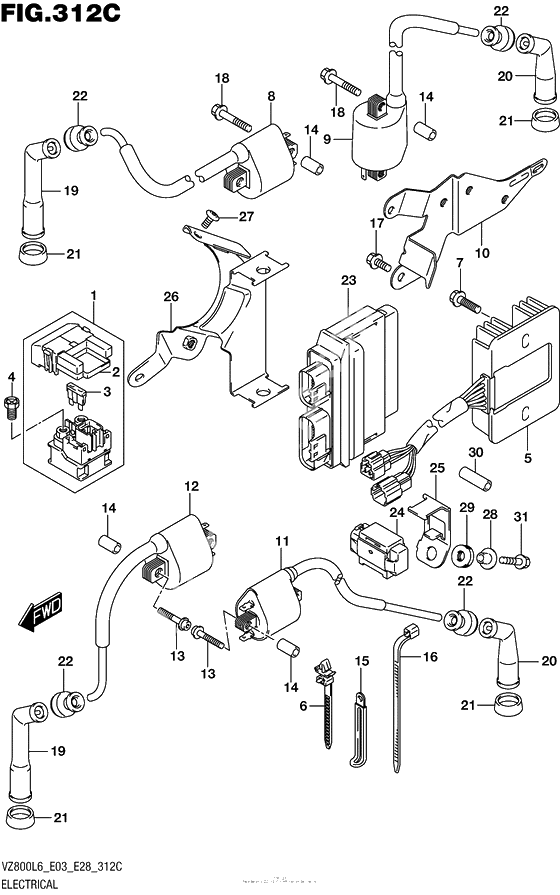
Реле стартера (Ref #1)
1
Part #31800-21E20-000
Крышка (Ref #2)
2
Part #31861-47E00-000
Предохранитель (Ref #3)
3
Part #09481-30101-000
SCREW(6X8) (Ref #4)
4
Part #09128-06013-000
Rectifier assy (Ref #5)
5
Part #32800-47H00-000
CLAMP(L:90) (Ref #6)
6
Part #09407-11402-000
Screw (Ref #7)
7
Part #02162-0620B-000
COIL ASSY,IGNITION RR (Ref #8)
8
Part #33410-39G00-000
COIL ASSY,IGNITION RR (Ref #9)
9
Part #33410-39G10-000
BRACKET,IGNITION COIL RR (Ref #10)
10
Part #33414-39G00-000
COIL ASSY,IGNITION FR (Ref #11)
11
Part #33420-39G00-000
Катушка зажигания (Ref #12)
12
Part #33420-41F10-000
BOLT(5X35) (Ref #13)
13
Part #09106-05033-000
SPACER(6.4X10X18) (Ref #14)
14
Part #09180-06195-000
Струбцина шнура (L:95) (Ref #15)
15
Part #09404-06434-000
Хомут (Ref #16)
16
Part #09407-19401-000
Болт (Ref #17)
17
Part #01547-0610A-000
Болт (Ref #18)
18
Part #01547-0635A-000
Колпак заглушки (Ref #19)
19
Part #33510-11410-000
Колпак заглушки (Ref #20)
20
Part #33510-38B00-000
Уплотнение (Ref #21)
21
Part #33541-47D00-000
Уплотнение (Ref #22)
22
Part #33542-38B00-000
CONTROL UNIT,FI (Ref #23)
23
Part #32920-39GJ0-000
SENSOR ASSY,FUEL CUT (Ref #24)
24
Part #33960-06G10-000
BRACKET,FUEL CUT SENSOR (Ref #25)
25
Part #33961-41F00-000
BRACKET,FI CONTROL UNIT (Ref #26)
26
Part #44880-43H00-000
Болт (Ref #27)
27
Part #09139-06108-000
Прокладка (Ref #28)
28
Part #09180-06325-000
Валик (Ref #29)
29
Part #09320-06017-000
Шланг топливный (Ref #30)
30
Part #44420-44AR0-000
Болт (Ref #31)
31
Part #01547-0616A-000
