Headlamp
Headlamp
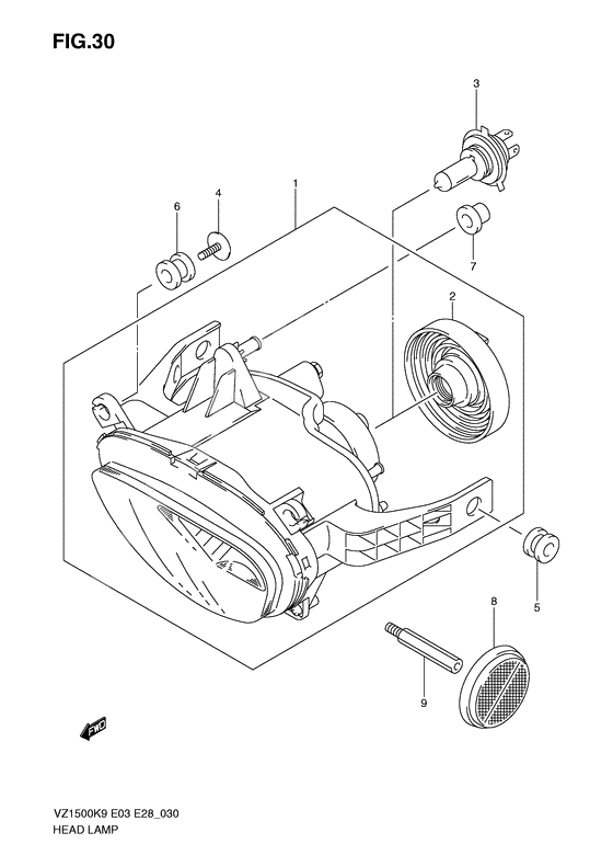
HEADLAMP ASSY (Ref #1)
1
Part #35100-48G40-999
Cover (Ref #2)
2
Part #35173-14G00-000
BULB(12V60/55W,H4) (Ref #3)
3
Part #09471-12060-000
Винт (Ref #4)
4
Part #09136-05062-000
Cushion (Ref #5)
5
Part #09320-09506-000
Валик (Ref #6)
6
Part #09320-09039-000
САЙЛЕНТБЛОК (Ref #7)
7
Part #09320-09505-000
Отражатель (Ref #8)
8
Part #35950-14A11-000
Болт (Ref #9)
9
Part #09119-06104-000
-
835950-14A10-000
Reflex reflector assy, fr side
2Replaced by 35950-14A11-000 Доступно: Нет в наличии
