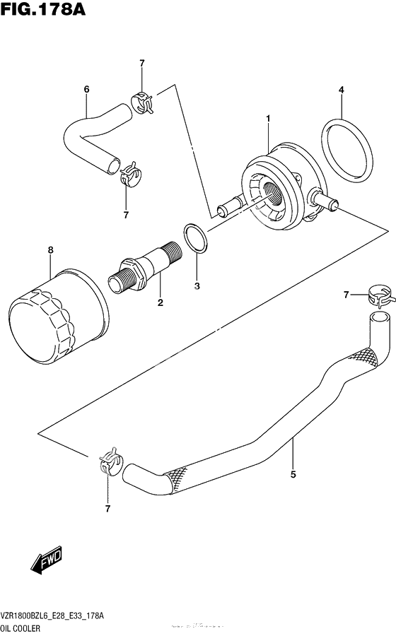
Масляный охладитель
Масляный охладитель
Патрубок (Ref #1)
1
Part #16600-48G00-000
BOLT,OIL COOLER UNION (Ref #2)
2
Part #16591-49X00-000
Шайба (Ref #3)
3
Part #09181-25160-000
Кольцо уплотнительное (Ref #4)
4
Part #09280-64003-000
Шланг впускной (Ref #5)
5
Part #16461-48G00-000
Шланг выпускной (Ref #6)
6
Part #16471-48G00-000
Clip (Ref #7)
7
Part #09401-16407-000
Фильтр масляный (Ref #8)
8
Part #16510-07J00-000
