Аккумулятор (Vzr1800Bzl5 E33)
Аккумулятор (Vzr1800Bzl5 E33)
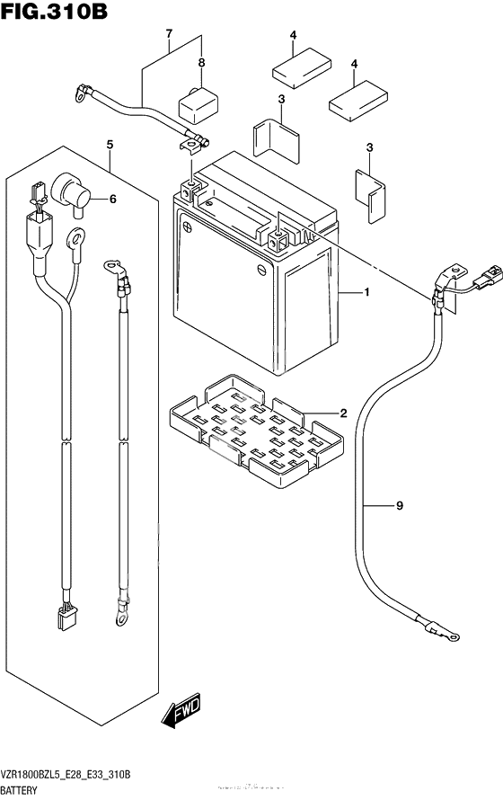
Battery assy (Ref #1)
1
Part #33610-03G10-000
Протектор (Ref #2)
2
Part #33652-16G00-000
CUSHION(30X50X3) (Ref #3)
3
Part #33652-36000-000
PROTECTOR(170X95X3.0) (Ref #4)
4
Part #33651-37000-000
WIRE,STARTER MOTOR LEAD (Ref #5)
5
Part #33810-48G02-000
CAP,OIL PRESSURE SWITCH (Ref #6)
6
Part #36618-31J00-000
WIRE,BATTERY PLUS LEAD (Ref #7)
7
Part #33820-48G01-000
CAP,BATTERY PLUS (Ref #8)
8
Part #33624-10D00-000
WIRE,BATTERY MINUS LEAD (Ref #9)
9
Part #33860-48G10-000
-
533810-48G01-000
WIRE,STARTER MOTOR LEAD
1Replaced by 33810-48G02-000 Доступно: Нет в наличии
-
733820-48G00-000
WIRE,BATTERY PLUS LEAD
1Replaced by 33820-48G01-000 Доступно: Нет в наличии
