Стартер электрический
Стартер электрический
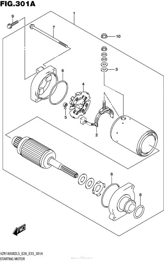
Мотор стартера (Ref #1)
1
Part #31100-48G00-000
TERMINAL SET,BRUSH (Ref #2)
2
Part #31130-38B00-000
Кольцо уплотнительное (Ref #3)
3
Part #31143-49040-000
HOLDER SET,BRUSH (Ref #4)
4
Part #31132-38B00-000
Пружина щетки (Ref #5)
5
Part #31135-38B00-000
SQUARE RING (Ref #6)
6
Part #31264-32E00-000
Болт (Ref #7)
7
Part #31281-31D00-000
O ring (Ref #8)
8
Part #09280-24003-000
Bolt(6x25) (Ref #9)
9
Part #09103-06212-000
Гайка (Ref #10)
10
Part #08361-3506A-000
