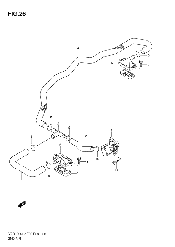
2nd air
2nd air
VALVE ASSY,2ND AIR REED (Ref #1)
1
Part #18450-06G00-000
VALVE ASSY,2ND AIR REED (Ref #1)
1
Part #18450-06G00-000
VALVE ASSY,2ND AIR REED (Ref #1)
1
Part #18450-06G00-000
VALVE ASSY,2ND AIR REED (Ref #1)
1
Part #18450-06G00-000
Соединение (Ref #2)
2
Part #13855-18A03-000
HOSE,2ND AIR VALVE FR (Ref #3)
3
Part #18461-48G10-000
HOSE,2ND AIR VALVE RR (Ref #4)
4
Part #18471-48G10-000
COVER,2ND AIR (Ref #5)
5
Part #18531-06G01-000
HOSE,2ND AIR VALVE (Ref #7)
7
Part #18711-48G00-000
Bolt(6x20) (Ref #8)
8
Part #09103-06201-000
Bolt(6x20) (Ref #8)
8
Part #09103-06201-000
Bolt(6x20) (Ref #8)
8
Part #09103-06201-000
Bolt(6x20) (Ref #8)
8
Part #09103-06201-000
Clip (Ref #10)
10
Part #09401-18304-A05
Болт (Ref #11)
11
Part #03541-0520A-000
-
518510-27G01-000
Valve assy, air cut
1Replaced by 18531-06G01-000 Доступно: Нет в наличии
-
518510-27G00-000
Valve assy, air cut
1Replaced by 18510-27G01-000 Доступно: Нет в наличии
