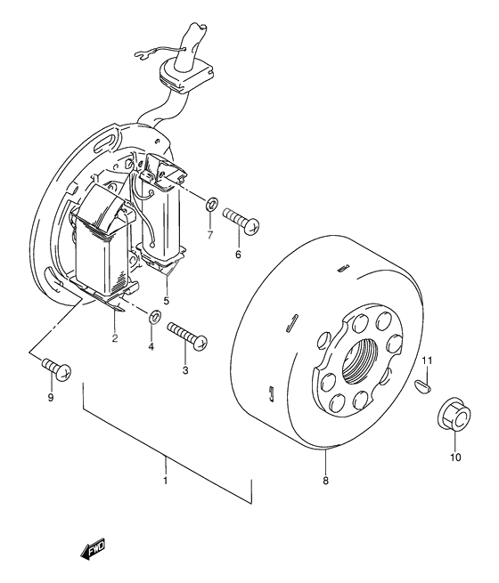
Magneto P36
Magneto P36
Stator assy (Ref #1)
1
Part #32101-23420-000
Катушка (Ref #2)
2
Part #32120-23420-000
Болт (Ref #3)
3
Part #02112-0425B-000
Пластина замка (Ref #4)
4
Part #08321-0104A-000
Coil, primary (Ref #5)
5
Part #32140-23420-000
Screw 4x20 (Ref #6)
6
Part #02112-0420A-000
Rotor assy (Ref #8)
8
Part #32102-23420-000
Винт 5X12 (Ref #9)
9
Part #02142-0512A-000
Гайка (Ref #10)
10
Part #08316-1010B-000
Ключ (Ref #11)
11
Part #08341-31039-000
-
408321-01043-000
Пластина замка
2Replaced by 08321-0104A-000 Доступно: Нет в наличии
