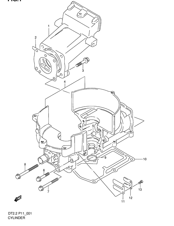
Cylinder
Cylinder
Голова цилиндр (Ref #1)
1
Part #11111-98421-0EP
Голова цилиндр (Ref #1)
1
Part #11111-98421-0ED
Прокладка головки цилиндров (Ref #2)
2
Part #11141-94D20-000
Bolt (Ref #3)
3
Part #01580-06307-000
Цилиндры / Картер (Ref #4)
4
Part #11301-94DA0-0ED
Цилиндры / Картер (Ref #4)
4
Part #11301-94DA0-0EP
Pin (Ref #5)
5
Part #04211-09109-000
Bolt (Ref #6)
6
Part #01550-06357-000
Bolt (Ref #7)
7
Part #01550-06707-000
Кольцо (ID:19.4, D:3.1) (Ref #9)
9
Part #09280-20002-000
Прокладка вала (Ref #10)
10
Part #52113-98411-000
Клапан (Ref #11)
11
Part #13153-19012-000
Стопор клапана (Ref #12)
12
Part #13152-19010-000
Болт (Ref #13)
13
Part #02112-3308A-000
-
-
Цена: 200.00 р.
Доступно: 3
-
