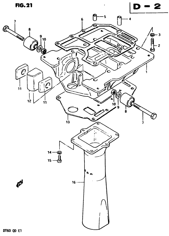
Engine holder
Engine holder
-
309162-08003-000
Пластина замка
2Replaced by 09162-08007-000 Доступно: Нет в наличии
-
409206-11005-000
Dowel pin (od:11, l:20)
1Replaced by 09206-11017-000 Доступно: Нет в наличии
-
509205-11001-000
Штифт, редуктор
2Replaced by 09206-11004-000 Доступно: Нет в наличии
-
651211-95203-000
Прокладка держателя
1Replaced by 51211-95260-000 Доступно: Нет в наличии
-
709100-10204-000
Болт крышки верхней опоры (10X70)
2Replaced by 09100-10208-000 Доступно: Нет в наличии
-
1409162-06001-000
Пластина замка
6Replaced by 09162-06006-000 Доступно: Нет в наличии
