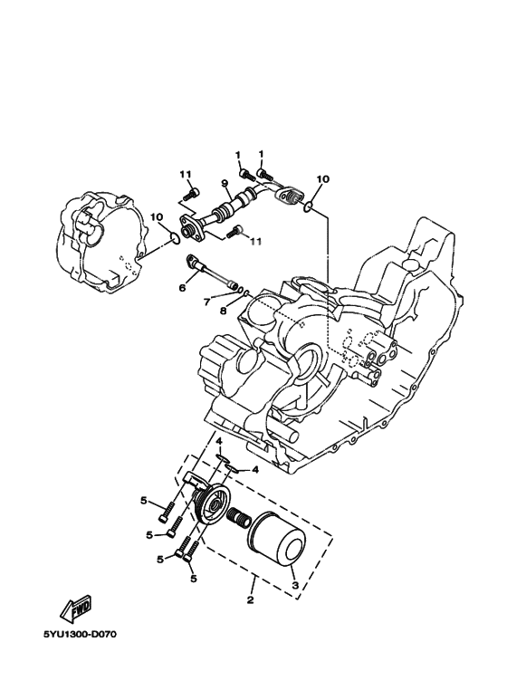
Oil cleaner
Oil cleaner
Болт (Ref #1)
1
Part #90110-06106-00
Болт (Ref #1)
1
Part #90110-06106-00
Болт (Ref #1)
1
Part #90110-06106-00
Болт (Ref #1)
1
Part #90110-06106-00
Oil Cleaner Sub-Assy (Ref #2)
2
Part #5YU-1344A-10-00
Элемент маслоочистителя (Ref #3)
3
Part #3FV-13440-30-00
Кольцо уплотнительное (Ref #4)
4
Part #93210-23326-00
Кольцо уплотнительное (Ref #4)
4
Part #93210-23326-00
Кольцо уплотнительное (Ref #4)
4
Part #93210-23326-00
Кольцо уплотнительное (Ref #4)
4
Part #93210-23326-00
Pipe, Delivery 3 (Ref #6)
6
Part #4WM-13181-00-00
Washer, Needle Valve (Ref #7)
7
Part #93210-08003-00
Washer, Needle Valve (Ref #8)
8
Part #93210-07540-00
Трубка, подводящая 1 (Ref #9)
9
Part #5YU-13161-00-00
Кольцо уплотнительное (Ref #10)
10
Part #93210-13657-00
Кольцо уплотнительное (Ref #10)
10
Part #93210-13657-00
Кольцо уплотнительное (Ref #10)
10
Part #93210-13657-00
Кольцо уплотнительное (Ref #10)
10
Part #93210-13657-00
-
33FV-13440-20-00
Элемент маслоочистителя
1Replaced by 3FV-13440-30-00 Доступно: Нет в наличии
-
33FV-13440-10-00
Элемент маслоочистителя
1Replaced by 3FV-13440-20-00 Доступно: Нет в наличии
-
893210-07435-00
Washer, Needle Valve
1Replaced by 93210-07540-00 Доступно: Нет в наличии
