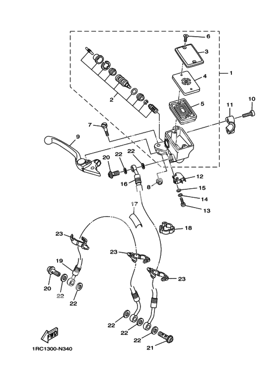
Передний тормозной цилиндр
Передний тормозной цилиндр
Цилиндр тормозной в сборе (Ref #1)
1
Part #1RC-2580A-00-00
Детали тормозного цилиндра, комплект (Ref #2)
2
Part #1MC-25807-00-00
Стакан резервуара (Ref #3)
3
Part #5VS-25852-00-00
Втулка диафрагмы (Ref #4)
4
Part #5VS-25855-00-00
Diaphragm, Reservoir (Ref #5)
5
Part #20S-25854-00-00
BOLT (Ref #6)
6
Part #5VS-2589H-00-00
BOLT (Ref #7)
7
Part #5VS-2589F-00-00
Гайка U (Ref #8)
8
Part #95617-06100-00
Lever 2 (Ref #9)
9
Part #5VS-83922-00-00
BOLT (Ref #10)
10
Part #5VS-26332-00-00
Bracket, Master Cylinder (Ref #11)
11
Part #5VS-25867-00-00
Включатель сигнала "стоп" (Ref #12)
12
Part #1HP-83980-01-00
Screw, Pan Head (Ref #13)
13
Part #98517-04012-00
Washer, Plate (Ref #14)
14
Part #92990-04100-00
Washer, Plate (Ref #15)
15
Part #92990-04600-00
Шланг тормозной 2 (Ref #16)
16
Part #1RC-2584A-09-00
Защита (Ref #17)
17
Part #33D-23472-00-00
CLAMP (Ref #18)
18
Part #90464-14003-00
Шланг тормозной 1 (Ref #19)
19
Part #1RC-Y258C-00-00
Болт соединяющий (Ref #20)
20
Part #90401-10172-00
Болт соединяющий (Ref #20)
20
Part #90401-10172-00
Болт соединяющий (Ref #20)
20
Part #90401-10172-00
Болт соединяющий (Ref #20)
20
Part #90401-10172-00
Болт-штуцер (Ref #21)
21
Part #90401-10042-00
-
1398502-04012-00
Screw, Pan Head
1Replaced by 98517-04012-00 Доступно: Нет в наличии
-
161RC-25873-00-00
Шланг тормозной 2
1Replaced by 1RC-2584A-09-00 Доступно: Нет в наличии
-
191RC-25872-00-00
Шланг тормозной 1
1Replaced by 1RC-Y258C-00-00 Доступно: Нет в наличии
