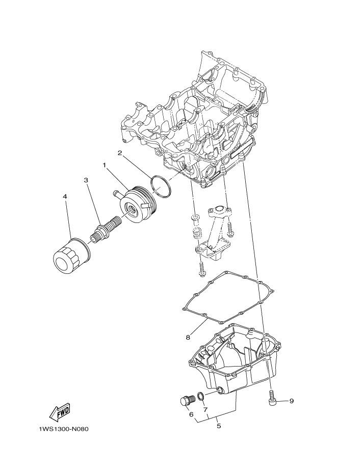
OIL CLEANER
OIL CLEANER
OIL COOLER ASSY (Ref #1)
1
Part #1WS-13470-00
Gasket (Ref #2)
2
Part #1XD-13475-00
Bolt, Union (Ref #3)
3
Part #90401-20009
ELEMENT ASSY, OIL CLEANER (Ref #4)
4
Part #5GH-13440-60
STRAINER COVER ASSY (Ref #5)
5
Part #1WS-13400-00
Plug, Straight Screw (Ref #6)
6
Part #90340-14132
GASKET (Ref #7)
7
Part #214-11198-01
Gasket, Strainer Cover (Ref #8)
8
Part #1WS-13414-00
BOLT (Ref #9)
9
Part #91312-06030
