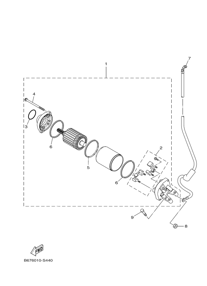
Starting motor
Starting motor
Motor Assy (Ref #1)
1
Part #2CR-81890-10
. BRUSH SET (Ref #2)
2
Part #2CR-81801-10
. O-RING 1 (Ref #3)
3
Part #5VV-H182L-00
. SCREW (Ref #4)
4
Part #2CR-81846-00
. O-RING (Ref #5)
5
Part #93210-06422
. GASKET (Ref #6)
6
Part #2CR-81861-10
. GASKET (Ref #6)
6
Part #2CR-81861-10
. GASKET (Ref #6)
6
Part #2CR-81861-10
. GASKET (Ref #6)
6
Part #2CR-81861-10
CORD COMP. (Ref #7)
7
Part #2CR-8183G-10
NUT, HEXAGON (Ref #8)
8
Part #95302-06700
BOLT (Ref #9)
9
Part #91312-06030
