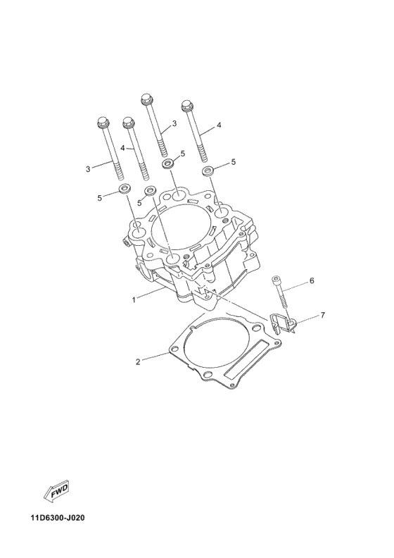
Cylinder
Cylinder
CYLINDER (Ref #1)
1
Part #5VK-11311-01-00
Gasket, Cylinder (Ref #2)
2
Part #5VK-11351-00-00
Screw, With Washer (Ref #3)
3
Part #90105-10078-00
Screw, With Washer (Ref #3)
3
Part #90105-10078-00
Screw, With Washer (Ref #3)
3
Part #90105-10078-00
Screw, With Washer (Ref #3)
3
Part #90105-10078-00
Screw, With Washer (Ref #4)
4
Part #90105-10077-00
Screw, With Washer (Ref #4)
4
Part #90105-10077-00
Screw, With Washer (Ref #4)
4
Part #90105-10077-00
Screw, With Washer (Ref #4)
4
Part #90105-10077-00
BOLT (Ref #6)
6
Part #91317-06040-00
CLAMP (Ref #7)
7
Part #90465-10045-00
