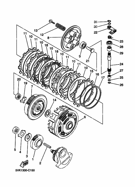
Сцепление
Сцепление
GEAR, PRIMARY DRIVE (Ref #1)
1
Part #5VK-E6111-00-00
Key, Straight (Ref #2)
2
Part #90282-07001-00
Washer, Plate (Ref #3)
3
Part #90209-20012-00
Шайба, стопорная (Ref #4)
4
Part #90215-20006-00
Nut, flange (Ref #5)
5
Part #90170-20274-00
PRIMARY DRIVEN GEAR COMP. (Ref #6)
6
Part #5VK-E6150-10-00
Boss, Clutch (Ref #7)
7
Part #5VK-E6371-00-00
Plate, Pressure 1 (Ref #8)
8
Part #5VK-E6351-00-00
BEARING (Ref #9)
9
Part #933-06003-15-00
Пружина компрессора (Ref #12)
12
Part #90501-260A1-00
Screw, With Washer (Ref #13)
13
Part #90119-06105-00
Plate, Thrust 1 (Ref #14)
14
Part #2JN-16154-00-00
Plate, Friction 2 (Ref #15)
15
Part #5VK-16331-00-00
Пружина муфты (Ref #16)
16
Part #5JG-16383-00-00
Plate, seat (Ref #17)
17
Part #5JG-16384-00-00
Диск сцепления (Ref #18)
18
Part #5TA-16321-00-00
Диск сцепления (Ref #18)
18
Part #5TA-16321-00-00
Диск сцепления (Ref #18)
18
Part #5TA-16321-00-00
Диск сцепления (Ref #18)
18
Part #5TA-16321-00-00
Шайба, стопорная (Ref #19)
19
Part #90215-20X01-00
Nut, flange (Ref #20)
20
Part #90170-20327-00
Толкатель (Ref #21)
21
Part #4XV-16356-01-00
Рукоятка нажима (Ref #22)
22
Part #5VK-16340-00-00
Spring, Pilot Adjusting (Ref #23)
23
Part #90508-16016-00
Spring, Pilot Adjusting (Ref #23)
23
Part #905-0816X-01-00
Ось рукоятки (Ref #24)
24
Part #5EB-16382-00-00
Washer, Plate (Ref #25)
25
Part #92907-08600-00
CLIP (Ref #26)
26
Part #99080-07600-00
Подшипник (Ref #27)
27
Part #93317-11096-00
Сальник (Ref #28)
28
Part #931-02152-12-00
BEARING (Ref #29)
29
Part #93315-31502-00
Washer, Plate (Ref #30)
30
Part #90201-10614-00
Кольцо стопорное (Ref #31)
31
Part #99009-10400-00
-
490215-20X00-00
Шайба, стопорная
1Replaced by 90215-20006-00 Доступно: Нет в наличии
-
65VK-E6150-00-00
PRIMARY DRIVEN GEAR COMP.
1Replaced by 5VK-E6150-10-00 Доступно: Нет в наличии
-
85VK-16351-00-00
Крышка сцепления.
1Replaced by 5VK-E6351-00-00 Доступно: Нет в наличии
-
2390508-16X00-00
Spring, Pilot Adjusting
1Replaced by 90508-16016-00 Доступно: Нет в наличии
