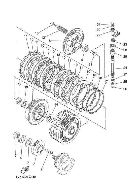
Сцепление
Сцепление
-
0490215-20X00-00
Шайба, стопорная
1Replaced by 90215-20006-00 Доступно: Нет в наличии
-
065VK-E6150-00-00
PRIMARY DRIVEN GEAR COMP.
1Replaced by 5VK-E6150-10-00 Доступно: Нет в наличии
-
075VK-16371-00-00
Ботинок муфты
1Replaced by 5VK-E6371-00-00 Доступно: Нет в наличии
-
085VK-16351-00-00
Крышка сцепления.
1Replaced by 5VK-E6351-00-00 Доступно: Нет в наличии
-
-
-
Цена: 1 480.00 р.
Доступно: 15
-
-
-
Цена: 2 750.00 р.
Доступно: 8
-
-
2390508-16X00-00
Spring, Pilot Adjusting
1Replaced by 90508-16016-00 Доступно: Нет в наличии
