Санкт-Петербург, ул.Парковая д.6 (м. Московские ворота)
+7(911)820-24-54
info.moto98@yandex.ru
0 товар(ов) - 0.00 р.
В корзине пусто!
Поиск
Личный кабинет
Регистрация
Авторизация
Мои закладки (0)
Оформление заказа
Категории
Запчасти лодочных моторов
SUZUKI MARINE
Показать все Запчасти лодочных моторов
Запчасти для мотоциклов
KAWASAKI
AGUSTA
BMW MOTORRAD
BOMBARDIER
DUCATI
HARLEY DAVIDSON
HONDA MOTO
HUSQVARNA MOTORCYCIES
KTM
POLARIS
SUZUKI MOTO
TRIUMPH
YAMAHA
Показать все Запчасти для мотоциклов
Аналоги
ALLBALLS
CHAMPION
D.I.D
FERODO
HIFLOFILTRO
JT SPROCKETS
KYMCO
NACHI
NTB
TRW Lucas
КИТАЙ
Показать все Аналоги
Моторные масла
Каталоги производителей
Motorcycles
YAMAHA
2002
Zinger (4BCC)
Frame
Frame
Frame
+
-
Номер ссылки
Артикул
Наименование
Кол-во на узел
Примечания
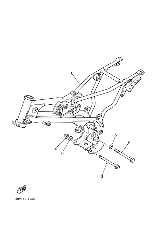
01
Артикул:
21W-21110-10-33
FRAME COMP
Кол-во на узел:
1
Примечания:
Доступно:
Нет в наличии
Нет в наличии
02
Артикул:
90101-08286-00
Болт
Кол-во на узел:
1
Примечания:
Доступно:
Нет в наличии
Нет в наличии
03
Артикул:
95817-08120-00
BOLT
Кол-во на узел:
2
Примечания:
Доступно:
Нет в наличии
Нет в наличии
03
Артикул:
95827-08120-00
BOLT
Кол-во на узел:
2
Примечания:
Replaced by 95817-08120-00
Доступно:
Нет в наличии
Нет в наличии
04
Артикул:
90179-08491-00
Nut, flange
Кол-во на узел:
2
Примечания:
Доступно:
Нет в наличии
Нет в наличии
04
Артикул:
95707-08500-00
Nut, flange
Кол-во на узел:
2
Примечания:
Replaced by 90179-08491-00
Доступно:
Нет в наличии
Нет в наличии
05
Артикул:
92907-08100-00
Washer, Plate
Кол-во на узел:
1
Примечания:
Доступно:
Нет в наличии
Нет в наличии
06
Артикул:
90201-086P8-00
Washer, Plate
Кол-во на узел:
3
Примечания:
Доступно:
Нет в наличии
Нет в наличии