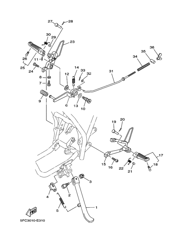
Stand, Footrest
Stand, Footrest
Stand, Side (Ref #1)
1
Part #5FC-27311-00-00
BOLT (Ref #2)
2
Part #90109-104E6-00
Гайка, самоблокирующаяся (Ref #3)
3
Part #90185-10037-00
Link, Side Stand (Ref #4)
4
Part #3TU-27315-00-00
Пружина натяжения (Ref #5)
5
Part #90506-18168-00
Pedal, Brake (Ref #6)
6
Part #5FC-27211-00-00
BOLT (Ref #7)
7
Part #97017-06020-00
Nut, flange (Ref #8)
8
Part #95317-06700-00
Крышка педали (Ref #9)
9
Part #132-18113-01-00
SHAFT (Ref #10)
10
Part #2YK-27261-00-00
. PIN (Ref #11)
11
Part #91490-20025-00
. PIN (Ref #11)
11
Part #91490-20015-00
Washer, Plate (Ref #12)
12
Part #92907-10200-00
Шайба волнистая (Ref #13)
13
Part #90206-14086-00
Пружина натяжения (Ref #14)
14
Part #90506-20369-00
ブラケツト, クーラント パイプ (Ref #15)
15
Part #5FC-27442-01-00
BOLT (Ref #16)
16
Part #92014-08016-00
Front Footrest Assy (Left) (Ref #17)
17
Part #4KJ-27410-02-00
BOLT (Ref #18)
18
Part #901-09082-24-00
Палец (Ref #19)
19
Part #91701-08035-00
. PIN (Ref #20)
20
Part #91490-25020-00
Втулка (Ref #21)
21
Part #90387-0801M-00
Пружина (Ref #22)
22
Part #90508-183B9-00
ブラケツト, クーラント パイプ (Ref #23)
23
Part #5FC-27443-01-00
Front Footrest Assy (Right) (Ref #25)
25
Part #4KJ-27420-02-00
Rod, brake (Ref #31)
31
Part #5FC-27231-00-00
Washer, Plate (Ref #32)
32
Part #92907-06600-00
Spring, Compression (Ref #34)
34
Part #90501-10245-00
PIN (Ref #35)
35
Part #90249-12008-00
Nut, flange (Ref #36)
36
Part #90179-06411-00
