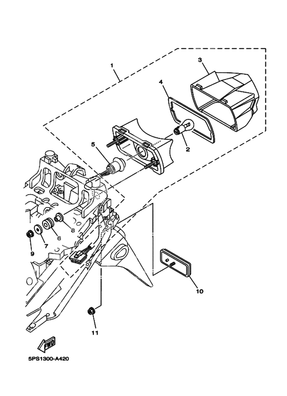
Taillight unit ass`y
Taillight unit ass`y
Taillight Unit Assy (Ref #1)
1
Part #5PS-84710-00-00
Bulb (12V-21/5W) (Ref #2)
2
Part #1A2-84714-50-00
Lens, taillight (Ref #3)
3
Part #5PS-84721-00-00
Washer, Needle Valve (Ref #4)
4
Part #47X-84723-00-00
Гнездо (Ref #5)
5
Part #5PS-84735-00-00
GROMMET (Ref #6)
6
Part #90480-14329-00
Washer, Plate (Ref #7)
7
Part #90201-063J2-00
COLLAR (Ref #8)
8
Part #90387-066Y6-00
Nut, flange (Ref #9)
9
Part #95317-06600-00
REFLECTOR (Ref #10)
10
Part #3Y6-85130-02-00
Nut, flange (Ref #11)
11
Part #95707-05500-00
