Сцепление
Сцепление
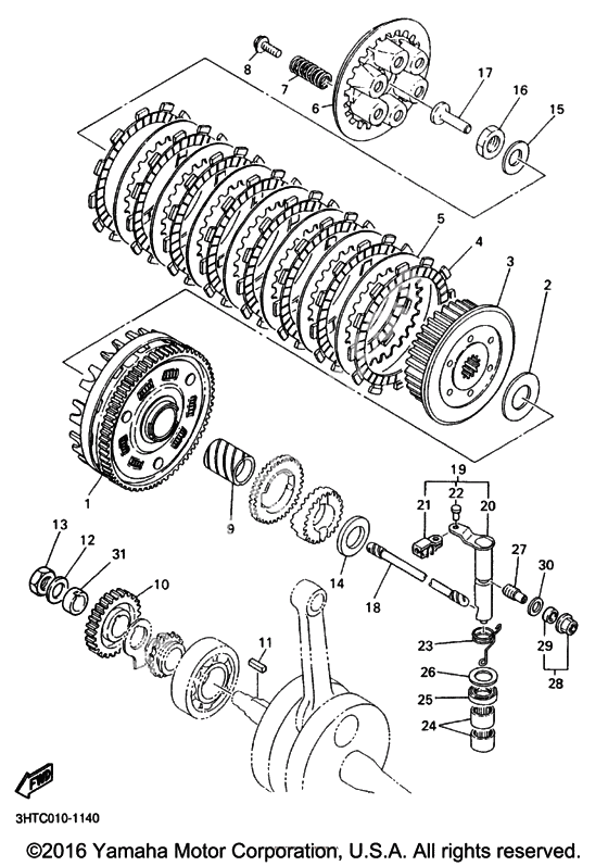
Втулка упорная (Ref #1)
1
Part #2J2-16150-00-00
Plate, Thrust 2 (Ref #2)
2
Part #170-16164-00-00
Ботинок муфты (Ref #3)
3
Part #583-16371-00-00
Плата (Ref #4)
4
Part #5Y1-16321-00-00
Plate, Clutch 2 (Ref #5)
5
Part #360-16325-00-00
Крышка сцепления. (Ref #6)
6
Part #498-16351-00-00
Пружина компрессора (Ref #7)
7
Part #90501-234L3-00
Screw, Pan Head With (Ref #8)
8
Part #90159-06010-00
Кольцо/шайба (Ref #9)
9
Part #90560-25153-00
Gear, Primary Drive (Ref #10)
10
Part #3HT-16111-00-00
Key, Straight (Ref #11)
11
Part #90282-07021-00
Шайба пружины (Ref #12)
12
Part #90208-16019-00
Гайка (Ref #13)
13
Part #90170-16425-00
Шайба (Ref #14)
14
Part #363-16154-00-00
Spring, Belleville (Ref #15)
15
Part #214-16119-00-00
Nut, flange (Ref #16)
16
Part #90170-18165-00
Rod, Push 1 (Ref #17)
17
Part #174-16356-00-00
Rod, Push 2 (Ref #18)
18
Part #583-16357-01-00
Axle Push Lever Assy (Ref #19)
19
Part #583-16302-00-00
Рукоятка нажима (Ref #20)
20
Part #583-16381-00-00
Joint (Ref #21)
21
Part #214-16389-00-00
Pin (Ref #22)
22
Part #90243-06016-00
Пружина (Ref #23)
23
Part #90508-12279-00
Подшипник (Ref #24)
24
Part #93315-11720-00
Сальник (Ref #25)
25
Part #93102-17357-00
Washer, Plate (Ref #26)
26
Part #90201-18262-00
Screw, adjusting (Ref #27)
27
Part #364-16343-00-00
Nut, adjusting (Ref #28)
28
Part #583-16344-00-00
Сальник (Ref #29)
29
Part #93104-07036-00
Washer, Plate (Ref #30)
30
Part #90201-12172-00
Втулка (Ref #31)
31
Part #90387-20644-00
