Электрооборудование 1
Электрооборудование 1
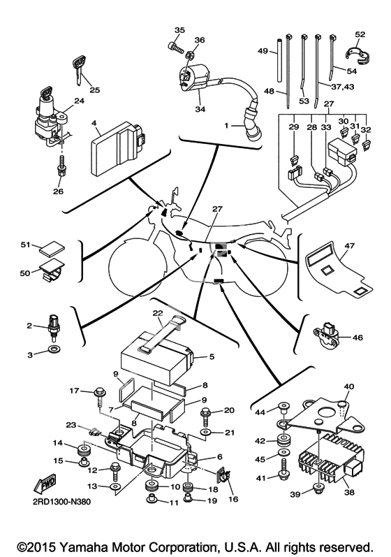
Plug Cap Assy (Ref #1)
1
Part #5EL-82370-00-00
Датчик температуры (Ref #2)
2
Part #54P-H3591-00-00
Washer, Plate (Ref #3)
3
Part #90201-10128-00
Engine Control Unit Assy (Ref #4)
4
Part #2RD-8591A-00-00
Battery Assy(Gt4B-5 12V-2.5Ah) (Ref #5)
5
Part #GT4-B5000-00-00
Gt4B5 Gs Battery - (Ref #5)
5
Part #YT4-BBS00-00-00
ボツクス,バツテリ− 1 (Ref #6)
6
Part #3HT-8212B-00-00
ダンパ,プレ−ト (Ref #7)
7
Part #905-20040-05-00
Damper, Muffler 2 (Ref #8)
8
Part #7NJ-14757-00-00
Damper, Muffler 2 (Ref #8)
8
Part #7NJ-14757-00-00
Damper, Muffler 2 (Ref #8)
8
Part #7NJ-14757-00-00
Damper, Muffler 2 (Ref #8)
8
Part #7NJ-14757-00-00
Демпфер (Ref #9)
9
Part #5TG-84553-00-00
Демпфер (Ref #9)
9
Part #5TG-84553-00-00
Демпфер (Ref #9)
9
Part #5TG-84553-00-00
Демпфер (Ref #9)
9
Part #5TG-84553-00-00
Втулка демпфирующая (Ref #10)
10
Part #90480-16004-00
Втулка (Ref #11)
11
Part #90387-067K8-00
Болт (Ref #12)
12
Part #90105-06169-00
Washer, Plate (Ref #13)
13
Part #90201-06380-00
Скоба (Ref #16)
16
Part #90464-13185-00
Болт с шайбой (Ref #17)
17
Part #90119-06138-00
GROMMET (Ref #18)
18
Part #90480-14003-00
COLLAR (Ref #19)
19
Part #90387-085W0-00
Обвязка, аккумулятор (Ref #22)
22
Part #7H3-82131-00-00
Fuse (30A-Bl) (Ref #23)
23
Part #1AE-82151-00-00
Main Switch Steering Lock (Ref #24)
24
Part #2RD-82501-10-00
Blank key (Ref #25)
25
Part #4BH-82511-09-00
BOLT (Ref #26)
26
Part #901-09081-96-00
Wire Harness Assy (Ref #27)
27
Part #2RD-82590-10-00
Wire Harness Assy (Ref #27)
27
Part #2RD-82590-10-00
Wire Harness Assy (Ref #27)
27
Part #2RD-82590-10-00
Wire Harness Assy (Ref #27)
27
Part #2RD-82590-10-00
Диод (Ref #28)
28
Part #3XV-81980-00-00
Fuse (15A-Bl) (Ref #30)
30
Part #67F-82151-50-00
Fuse (10A-Bl) (Ref #31)
31
Part #67F-82151-40-00
Fuse (7.5A-Bl) (Ref #32)
32
Part #5JJ-82151-00-00
Diode Assy (Ref #33)
33
Part #3WP-81980-00-00
Колпачок высоковольтный (Ref #34)
34
Part #3D8-82310-10-00
Bolt, Hexagon (Ref #35)
35
Part #90110-06114-00
Демпфер (Ref #36)
36
Part #4BR-82317-00-00
BAND (Ref #37)
37
Part #1UA-82591-00-00
Выпрямитель и регулятор (Ref #38)
38
Part #4XY-81960-00-00
Гайка, самоблокирующаяся (Ref #39)
39
Part #95604-06200-00
STAY, RECTIFIER (Ref #40)
40
Part #3HT-8711E-10-00
BOLT (Ref #41)
41
Part #95817-06025-00
GROMMET (Ref #42)
42
Part #90480-14229-00
COLLAR (Ref #44)
44
Part #90387-06158-00
Шайба (Ref #45)
45
Part #90201-06095-00
SENSOR, LEAN ANGLE (Ref #46)
46
Part #3HT-82576-00-00
Защита проводки (Ref #47)
47
Part #2D1-82589-00-00
Hose (L310) (Ref #49)
49
Part #90445-072G8-00
Скоба (Ref #49)
49
Part #904-64170-02-00
Уплотнение (Ref #51)
51
Part #5S7-28428-00-00
CLAMP (Ref #52)
52
Part #90464-16001-00
CLAMP (Ref #53)
53
Part #90464-35132-00
CLAMP (Ref #54)
54
Part #80L-26397-00-00
-
13NS-82370-00-00
Колпачок высоковольтный
1Replaced by 5EL-82370-00-00 Доступно: Нет в наличии
-
24P9-83591-00-00
Датчик температуры
1Replaced by 54P-H3591-00-00 Доступно: Нет в наличии
-
54JS-82100-10-00
Аккумулятор (GS YUASA GT4B-5)
1Replaced by GT4-B5000-00-00 Доступно: Нет в наличии
-
54JS-82100-01-00
Gt4B5 Gs Battery -
0Replaced by YT4-BBS00-00-00 Доступно: Нет в наличии
-
305JJ-82151-10-00
Fuse (15A-Bl)
3Replaced by 67F-82151-50-00 Доступно: Нет в наличии
-
315JJ-82151-30-00
Fuse (10A-Bl)
2Replaced by 67F-82151-40-00 Доступно: Нет в наличии
-
3995607-06200-00
Гайка, самоблокирующаяся
2Replaced by 95604-06200-00 Доступно: Нет в наличии
