Топливный бак
Топливный бак
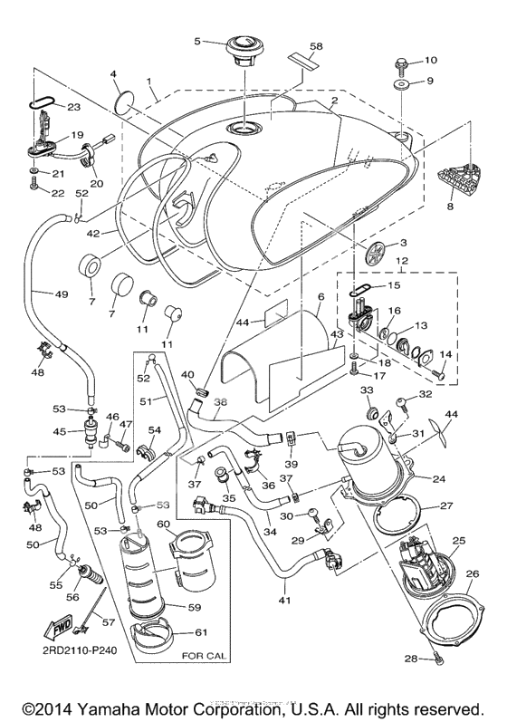
Fuel Tank Comp (Ref #1)
1
Part #3HT-Y2410-10-07
Graphic Set (Ref #2)
2
Part #2RD-24240-30-00
Emblem (Ref #3)
3
Part #1JN-24161-10-00
Emblem (Ref #4)
4
Part #1JN-24162-10-00
Крышка бака (Ref #5)
5
Part #4NK-24602-20-00
Fuel Cap Assy (Ref #5)
5
Part #5BN-24602-10-00
ダンパ,プレ−ト (Ref #6)
6
Part #905-20030-08-00
Дэмпфер соединения (Ref #7)
7
Part #2J2-24181-00-00
Дэмпфер соединения (Ref #7)
7
Part #2J2-24181-00-00
Дэмпфер соединения (Ref #7)
7
Part #2J2-24181-00-00
Дэмпфер соединения (Ref #7)
7
Part #2J2-24181-00-00
Дэмпфер соединения (Ref #8)
8
Part #1J7-24182-01-00
Washer, Plate (Ref #9)
9
Part #90209-08008-00
BOLT (Ref #10)
10
Part #95817-08012-00
Дэмпфер соединения (Ref #11)
11
Part #2J2-24183-01-00
Дэмпфер соединения (Ref #11)
11
Part #2J2-24183-01-00
Дэмпфер соединения (Ref #11)
11
Part #2J2-24183-01-00
Дэмпфер соединения (Ref #11)
11
Part #2J2-24183-01-00
Кран топливный (Ref #12)
12
Part #4DP-24500-10-00
Уплотнение (Ref #13)
13
Part #3AJ-24534-10-00
Screw, Pan Head (Ref #14)
14
Part #98517-03008-00
Прокладка (Ref #15)
15
Part #4X8-24512-10-00
. . VALVE, CHECK (Ref #16)
16
Part #3AC-24523-00-00
Винт (Ref #17)
17
Part #90149-06108-00
Washer, Plate (Ref #18)
18
Part #902-02051-87-00
Sender Unit Assy, Fuel Meter (Ref #19)
19
Part #3HT-85752-01-00
CLAMP (Ref #20)
20
Part #90464-16001-00
Gasket, Sender Unit (Ref #23)
23
Part #42X-85753-00-00
PUMP CASE COMP. (Ref #24)
24
Part #3HT-244A0-00-00
FUEL PUMP COMP. (Ref #25)
25
Part #3HT-13907-02-00
BRACKET, FUEL PUMP (Ref #26)
26
Part #35C-24491-00-00
Washer, Needle Valve (Ref #27)
27
Part #1S4-24486-00-00
Болт (Ref #28)
28
Part #91312-05010-00
ブラケツト, フユエルポンプ 1 (Ref #29)
29
Part #3HT-24425-00-00
Болт (Ref #30)
30
Part #92012-06010-00
ブラケツト フユーエルヒポンプ 2 (Ref #31)
31
Part #3HT-24426-00-00
Grommet (Ref #33)
33
Part #904-80150-04-00
Pipe, Fuel 1 (Ref #34)
34
Part #2RD-24311-00-00
Втулка демпфирующая (Ref #35)
35
Part #904-80205-43-00
CLAMP (Ref #36)
36
Part #90464-20191-00
CLIP (Ref #37)
37
Part #90467-10135-00
CLIP (Ref #37)
37
Part #90467-10135-00
CLIP (Ref #37)
37
Part #90467-10135-00
CLIP (Ref #37)
37
Part #90467-10135-00
Pipe 2 (Ref #38)
38
Part #2RD-24312-00-00
Хомут (Ref #39)
39
Part #90467-160A2-00
Хомут (Ref #40)
40
Part #5PX-2411M-00-00
PIPE, FUEL 1 (Ref #41)
41
Part #3HT-13971-00-00
Plate, Mold (Ref #42)
42
Part #3EB-24189-10-00
シ−ル 2 (Ref #43)
43
Part #3HT-21735-00-00
Уплотнение (Ref #44)
44
Part #1JK-21735-00-00
Уплотнение (Ref #44)
44
Part #1JK-21735-00-00
Уплотнение (Ref #44)
44
Part #1JK-21735-00-00
Уплотнение (Ref #44)
44
Part #1JK-21735-00-00
Клапан (Ref #45)
45
Part #5PX-24180-00-00
Хомут (Ref #46)
46
Part #5PX-24136-00-00
BOLT (Ref #47)
47
Part #91317-05010-00
CLAMP (Ref #48)
48
Part #90464-10190-00
CLAMP (Ref #48)
48
Part #90464-10190-00
CLAMP (Ref #48)
48
Part #90464-10190-00
CLAMP (Ref #48)
48
Part #90464-10190-00
PIPE 3 (Ref #49)
49
Part #3HT-24313-00-00
PIPE 4 (Ref #50)
50
Part #3HT-24314-00-00
PIPE 4 (Ref #50)
50
Part #3HT-24314-00-00
PIPE 4 (Ref #50)
50
Part #3HT-24314-00-00
PIPE 4 (Ref #50)
50
Part #3HT-24314-00-00
Pipe 4 (Ref #50)
50
Part #2RD-24314-00-00
Pipe 4 (Ref #50)
50
Part #2RD-24314-00-00
Pipe 4 (Ref #50)
50
Part #2RD-24314-00-00
Pipe 4 (Ref #50)
50
Part #2RD-24314-00-00
Pipe 5 (Ref #51)
51
Part #2RD-24315-00-00
CLIP (Ref #52)
52
Part #90467-090A2-00
CLIP (Ref #52)
52
Part #90467-090A2-00
CLIP (Ref #52)
52
Part #90467-090A2-00
CLIP (Ref #52)
52
Part #90467-090A2-00
Скоба (Ref #54)
54
Part #90464-12224-00
CLIP (Ref #55)
55
Part #90467-11106-00
Трубка 5 (Ref #56)
56
Part #5UX-24481-00-00
CLAMP (Ref #57)
57
Part #90464-15200-00
Наклейка предупредительная (Ref #58)
58
Part #1TP-2118K-A1-00
Canister Assy (Ref #59)
59
Part #2RC-24170-00-00
Damper, Locating 1 (Ref #60)
60
Part #2RD-24181-00-00
Cover, canister (Ref #61)
61
Part #2RD-2419E-00-00
-
13HT-Y2410-10-02
Fuel Tank Comp
1Replaced by 3HT-Y2410-10-07 Доступно: Нет в наличии
-
1498507-03008-00
Screw, Pan Head
2Replaced by 98517-03008-00 Доступно: Нет в наличии
-
-
Цена: 840.00 р.
Доступно: 1
-
-
253HT-13907-00-00
フユエルポンプコンプリ−ト
1Replaced by 3HT-13907-02-00 Доступно: Нет в наличии
