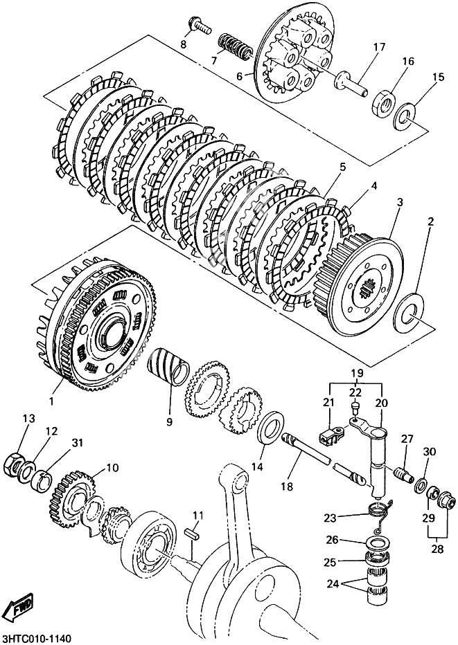
Сцепление
Сцепление
PRIMARY DRIVEN GEAR COMP.(77T) (Ref #1)
1
Part #2J2-16150-00
Plate, Thrust 2 (Ref #2)
2
Part #170-16164-00
Boss, Clutch (Ref #3)
3
Part #583-16371-00
Plate, Friction (Ref #4)
4
Part #5Y1-16321-00
Plate, Clutch 2 (Ref #5)
5
Part #360-16325-00
Plate, Pressure 1 (Ref #6)
6
Part #498-16351-00
Spring, Compression (Ref #7)
7
Part #90501-234L3
Screw, With Washer (Ref #8)
8
Part #90159-06010
Spacer (Ref #9)
9
Part #90560-25153
Gear, Primary Drive (Ref #10)
10
Part #3HT-16111-00
KEY, STRAIGHT (7.0 MM) (Ref #11)
11
Part #90282-07021
Washer, Conical Spring (Ref #12)
12
Part #90208-16019
NUT (Ref #13)
13
Part #90170-16425
Plate, Thrust 1 (Ref #14)
14
Part #363-16154-00
Spring, Belleville (Ref #15)
15
Part #214-16119-00
NUT (Ref #16)
16
Part #90170-18086
Rod, Push 1 (Ref #17)
17
Part #174-16356-00
Rod, Push 2 (Ref #18)
18
Part #583-16357-01
Axle Push Lever Assy (Ref #19)
19
Part #583-16302-00
. PUSH LEVER COMP. (Ref #20)
20
Part #583-16381-00
. JOINT (Ref #21)
21
Part #214-16389-00
. PIN (Ref #22)
22
Part #90243-06016
Spring, Torsion (Ref #23)
23
Part #90508-12279
Bearing (Ref #24)
24
Part #93315-11720
Oil Seal (Ref #25)
25
Part #93102-17357
Washer, Plate (Ref #26)
26
Part #90201-17327
Screw, adjusting (Ref #27)
27
Part #364-16343-00
Nut, adjusting (Ref #28)
28
Part #583-16344-00
. OIL SEAL (Ref #29)
29
Part #93104-07036
Washer, Plate (Ref #30)
30
Part #90201-12172
Collar (Ref #31)
31
Part #90387-20644
