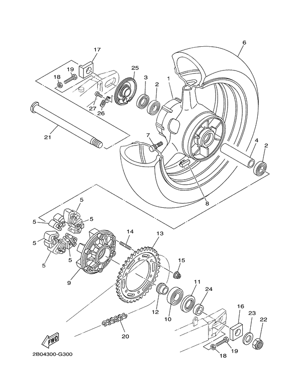
Rear wheel
Rear wheel
-
-
Цена: 1 130.00 р.
Доступно: 1
-
-
1990101-08766-00
Bolt (L=55 P=1.25)
2Replaced by 90101-08777-00 Доступно: Нет в наличии
