Electrical 1
Electrical 1
-
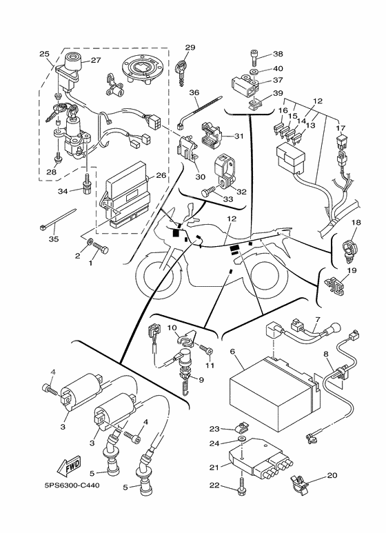
032UJ-82310-01-00
Катушка зажигания
2Replaced by 4DN-82320-00-00 Доступно: Нет в наличии
-
034DN-82320-00-00
Катушка зажигания
2Replaced by 4DN-82320-01-00 Доступно: Нет в наличии
-
064TX-82100-02-00
Аккумулятор (GS GT12B-4)
1Replaced by GT1-2B400-00-00 Доступно: Нет в наличии
-
1198507-06008-00
Screw, Pan Head
1Replaced by 98517-06008-00 Доступно: Нет в наличии
-
135JJ-82151-30-00
Fuse (10A-Bl)
4Replaced by 67F-82151-40-00 Доступно: Нет в наличии
-
145JJ-82151-10-00
Fuse (15A-Bl)
2Replaced by 67F-82151-50-00 Доступно: Нет в наличии
-
165JJ-82151-90-00
Fuse - 5 A - Blade (
2Replaced by 67F-82151-20-00 Доступно: Нет в наличии
-
175PS-82151-00-00
Slow Blow Fuse
1Replaced by JR9-82151-00-00 Доступно: Нет в наличии
-
252B0-W8250-10-00
Main Sw. Immobilizer Kit
1Replaced by 2B0-W8250-11-00 Доступно: Нет в наличии
