Starter
Starter
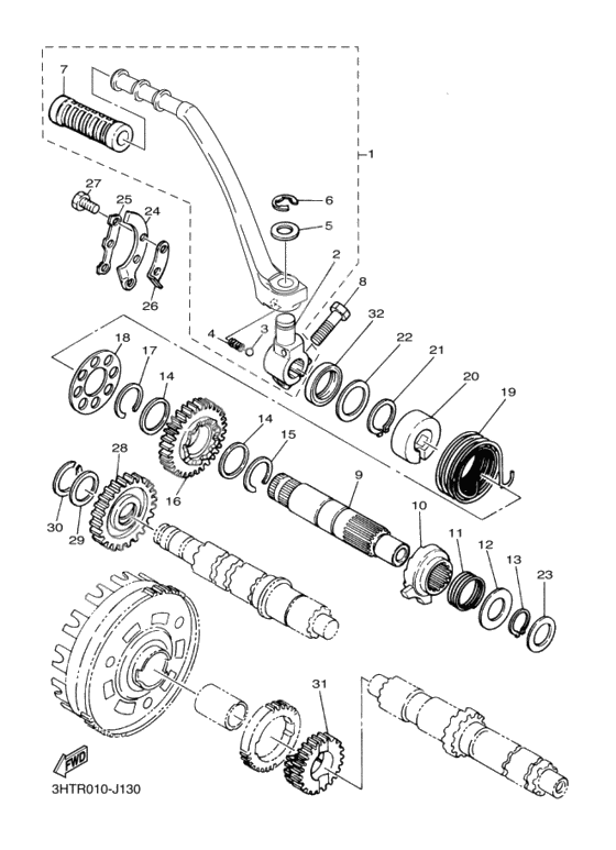
KICK CRANK ASSY (Ref #1)
1
Part #3HT-15610-R0-00
Ботинок колена (Ref #2)
2
Part #583-15621-00-00
Ball 7-32 (Ref #3)
3
Part #93507-32031-00
Пружина компрессора (Ref #4)
4
Part #90501-12081-00
Washer, Plate (Ref #5)
5
Part #90201-15234-00
Circlip (Ref #6)
6
Part #99006-10600-00
Крышка рукоятки (Ref #7)
7
Part #1T1-15618-00-00
Болт (Ref #8)
8
Part #97024-08030-00
Axle, Kick (Ref #9)
9
Part #583-15661-00-00
Wheel, Ratchet (Ref #10)
10
Part #583-15671-00-00
Пружина компрессии (Ref #11)
11
Part #90501-23143-00
Крышка пружины (Ref #12)
12
Part #363-15676-00-00
Circlip (Ref #13)
13
Part #99009-19400-00
Washer, Plate (Ref #14)
14
Part #90201-253K0-00
Washer, Plate (Ref #14)
14
Part #90201-253K0-00
Washer, Plate (Ref #14)
14
Part #90201-253K0-00
Washer, Plate (Ref #14)
14
Part #90201-253K0-00
Circlip (Ref #15)
15
Part #93440-25020-00
Gear, Kick (Ref #16)
16
Part #583-15641-00-00
Стопор (Ref #17)
17
Part #934-40250-84-00
Крышка пружины (Ref #18)
18
Part #583-15676-00-00
Пружина (Ref #19)
19
Part #90508-32280-00
Кольцо/шайба (Ref #20)
20
Part #90560-25154-00
Circlip (Ref #21)
21
Part #99009-25400-00
Шайба (Ref #22)
22
Part #90201-256K6-00
Шайба (Ref #23)
23
Part #90201-20278-00
Guide, Ratchet Wheel (Ref #24)
24
Part #583-15674-00-00
Шайба, стопорная (Ref #25)
25
Part #363-15686-00-00
Stopper (Ref #26)
26
Part #434-15668-00-00
Болт (Ref #27)
27
Part #97D95-06016-00
Gear, Kick Idle (Ref #28)
28
Part #583-15651-00-00
Washer, Plate (Ref #29)
29
Part #90201-177G4-00
Circlip (Ref #30)
30
Part #93410-17X00-00
Gear, Kick Pinion (19T) (Ref #31)
31
Part #3HT-15631-00-00
Сальник (Ref #32)
32
Part #93102-25064-00
