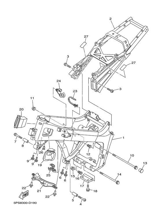
Frame

Frame

Frame
+ -
  • 01
    5PS-21110-20-00

    FRAME COMP

    1
    Доступно: Нет в наличии
  • 02
    5PS-21190-11-00

    REAR FRAME COMP.

    1
    Доступно: Нет в наличии
  • 03
    901-49100-03-00

    BOLT

    4
    Доступно: Нет в наличии
  • 03
    90149-10002-00

    BOLT

    4
    Replaced by 901-49100-03-00 Доступно: Нет в наличии
  • 04
    90111-12001-00

    BOLT

    1
    Доступно: Нет в наличии
  • 05
    90387-14003-00

    COLLAR

    1
    Доступно: Нет в наличии
  • 06
    90105-08047-00

    Screw, With Washer

    2
    Replaced by 95024-08030-00 Доступно: Нет в наличии
  • 06
    95024-08030-00

    BOLT

    2
    Доступно: Нет в наличии
  • 10
    90105-10032-00

    Болт

    1
    Доступно: Нет в наличии
  • 11
    90179-10002-00

    Nut, flange

    1
    Доступно: Нет в наличии
  • 12
    5EB-21495-00-00

    Болт регулятора

    1
    Replaced by 4C8-21495-00-00 Доступно: Нет в наличии
  • 12
    4C8-21495-00-00

    Болт регулировки положения двигателя

    1
    Доступно: Нет в наличии
  • 13
    90338-24112-00

    Plug, Special Shape

    1
    Доступно: Нет в наличии
  • 14
    90105-10780-00

    Screw, With Washer

    1
    Доступно: Нет в наличии
  • 14
    90105-10113-00

    Screw, With Washer

    1
    Replaced by 90105-10780-00 Доступно: Нет в наличии
  • 15
    90179-10696-00

    Nut, flange

    1
    Доступно: Нет в наличии
  • 17
    5PS-21489-00-00

    Bracket, Engine Lower

    1
    Доступно: Нет в наличии
  • 18
    95817-08030-00

    BOLT

    2
    Доступно: Нет в наличии
  • 19
    5PS-2117V-00-00

    Cover 7

    1
    Доступно: Нет в наличии
  • 20
    5PS-2117W-00-00

    Cover 8

    1
    Доступно: Нет в наличии
  • 21
    5PS-2117M-00-00

    Cover 2

    1
    Доступно: Нет в наличии
  • 22
    90269-07001-00

    Заклёпка (фиксатор)

    2
    Доступно: Нет в наличии
  • 23
    90464-12089-00

    Хомут

    1
    Replaced by 90464-10112-00 Доступно: Нет в наличии
  • 23
    90464-10112-00

    Хомут с фиксатором

    1
    Доступно: Нет в наличии
  • 24
    90464-20181-00

    CLAMP

    1
    Доступно: Нет в наличии
  • 25
    90464-13249-00

    CLAMP

    1
    Доступно: Нет в наличии
  • 26
    90338-08008-00

    PLUG

    1
    Доступно: Нет в наличии
  • 27
    1JK-21268-00-00

    Валик

    2
    Доступно: Нет в наличии