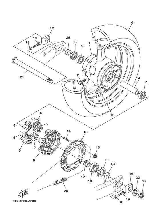
Rear wheel
Rear wheel
-
1990101-08766-00
Bolt (L=55 P=1.25)
2Replaced by 90101-08777-00 Доступно: Нет в наличии
-
2290185-24165-00
Гайка самоконтрящаяся
1Replaced by 90185-24007-00 Доступно: Нет в наличии
