Руль & Тросики
Руль & Тросики
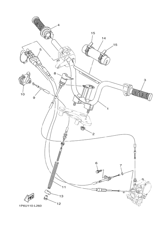
Руль (Ref #1)
1
Part #1P6-F6111-00-35
Гайка (Ref #2)
2
Part #956-02102-00-00
Ручка левая (Ref #3)
3
Part #1P6-F6241-00-00
Рукоятка (Ref #4)
4
Part #1P6-F6240-10-00
Трос газа (Ref #5)
5
Part #1P6-F6302-00-00
Bolt, With Washer (Ref #6)
6
Part #97507-05510-00
Прокладка (Ref #7)
7
Part #932-10068-10-00
Cable, Starter 1 (Ref #8)
8
Part #1P6-F6331-10-00
Wire, Brake 1 (Ref #9)
9
Part #1P6-F6341-10-00
Кожух (Ref #10)
10
Part #1P6-F6372-00-00
Пружина (Ref #11)
11
Part #1P6-F6314-01-00
PIN (Ref #12)
12
Part #90249-12008-00
Nut, flange (Ref #12)
12
Part #90179-06411-00
Накладка руля (Ref #14)
14
Part #1P6-F6124-00-00
Хомут (Ref #15)
15
Part #4TU-H3936-10-00
Хомут (Ref #15)
15
Part #4TU-H3936-10-00
Хомут (Ref #15)
15
Part #4TU-H3936-10-00
Хомут (Ref #15)
15
Part #4TU-H3936-10-00
-
6975-02055-10-00
Bolt, With Washer
1Replaced by 97507-05510-00 Доступно: Нет в наличии
-
81P6-F6331-02-00
Кабель стартера
1Replaced by 1P6-F6331-10-00 Доступно: Нет в наличии
-
1290249-12808-00
Наконечник тяги
0Replaced by 90249-12008-00 Доступно: Нет в наличии
