Сцепление
Сцепление
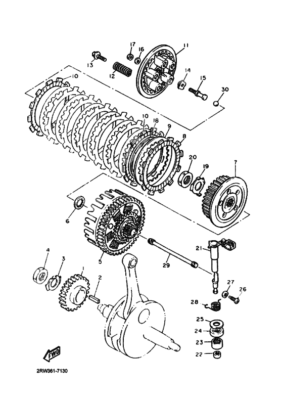
GEAR, PRIMARY DRIVE (Ref #1)
1
Part #3AJ-16111-00-00
Key, Straight (Ref #2)
2
Part #90282-07042-00
Шайба, стопорная (Ref #3)
3
Part #90215-20197-00
Nut, flange (Ref #4)
4
Part #90170-20274-00
PRIMARY DRIVEN GEAR COMP. (Ref #5)
5
Part #3AJ-16150-00-00
Plate, Thrust 1 (Ref #6)
6
Part #2JN-16154-00-00
Ботинок муфты (Ref #7)
7
Part #2JN-16371-00-00
Плата (Ref #8)
8
Part #5Y1-16321-00-00
Plate, Clutch 2 (Ref #9)
9
Part #360-16325-00-00
Пластина фрикционная (Ref #10)
10
Part #5Y1-16331-01-00
Пластина фрикционная (Ref #10)
10
Part #5Y1-16331-01-00
Пластина фрикционная (Ref #10)
10
Part #5Y1-16331-01-00
Пластина фрикционная (Ref #10)
10
Part #5Y1-16331-01-00
Крышка сцепления. (Ref #11)
11
Part #5Y1-16351-00-00
Spring, Compression (Ref #12)
12
Part #90501-23142-00
Screw, Pan Head With (Ref #13)
13
Part #90159-06010-00
Plate, Push (Ref #14)
14
Part #1W1-16358-01-00
Rod, Push 1 (Ref #15)
15
Part #4PT-16356-01-00
Washer, Plate (Ref #16)
16
Part #92907-06200-00
Nut, flange (Ref #17)
17
Part #95317-06600-00
Пружина муфты (Ref #18)
18
Part #5Y1-16383-00-00
Шайба, стопорная (Ref #19)
19
Part #90215-20231-00
Nut, flange (Ref #20)
20
Part #90170-20327-00
Рукоятка нажима (Ref #21)
21
Part #4GV-16380-10-00
Подшипник (Ref #22)
22
Part #93317-11096-00
Подшипник (Ref #23)
23
Part #93315-11720-00
Сальник (Ref #24)
24
Part #93102-17357-00
Washer, Needle Valve (Ref #25)
25
Part #90201-08087-00
BOLT (Ref #26)
26
Part #90149-08067-00
Washer, Plate (Ref #27)
27
Part #90201-18262-00
Spring, Pilot Adjusting (Ref #28)
28
Part #90508-14710-00
Rod, Push 2 (Ref #29)
29
Part #5Y1-16357-00-00
Ball (Ref #30)
30
Part #93515-32029-00
