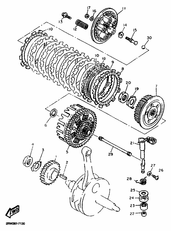
Сцепление
Сцепление
-
0534K-16150-00-00
PRIMARY DRIVEN GEAR COMP.
1Replaced by 1JK-16150-00-00 Доступно: Нет в наличии
-
0930X-16325-00-00
Plate, Clutch 2
7Replaced by 360-16325-00-00 Доступно: Нет в наличии
-
2790430-08119-00
Washer, Needle Valve
1Replaced by 90201-08087-00 Доступно: Нет в наличии
