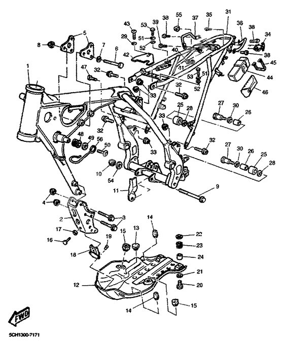
Frame
Frame
-
0697017-10080-00
Bolt,washer Based
3Replaced by 90105-10M75-00 Доступно: Нет в наличии
-
2890201-13202-00
Washer Plate 201156530000
2Replaced by 90201-13013-00 Доступно: Нет в наличии
