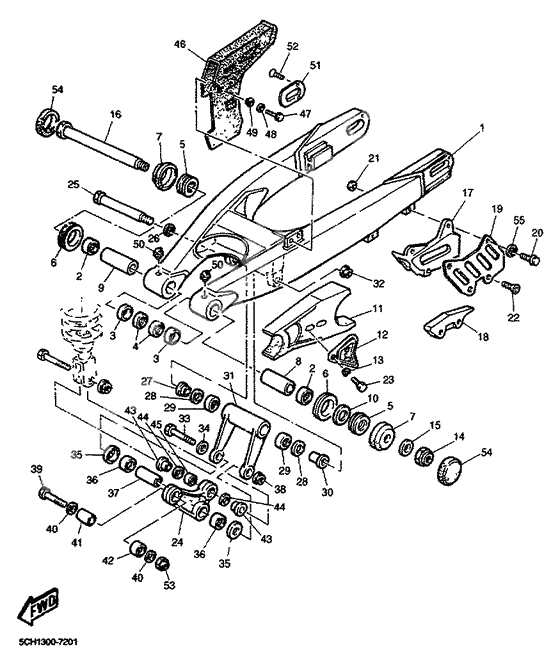
Rear arm
Rear arm
-
2190185-06830-00
Nut, Self-Locking
2Replaced by 90185-06837-00 Доступно: Нет в наличии
-
3523X-22129-00-00
Крышка упорная 2
2Replaced by 55K-22129-00-00 Доступно: Нет в наличии
-
5290151-04048-00
Screw, Pan Head
2Replaced by 98707-04010-00 Доступно: Нет в наличии
