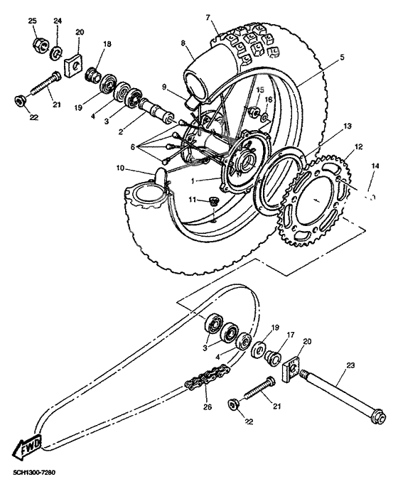
Rear wheel
Rear wheel
-
024EW-25317-00-00
Шайба, подшипник
1Replaced by 90560-20278-00 Доступно: Нет в наличии
-
2590185-18104-00
Nut, Self-Locking
1Replaced by 901-85180-09-00 Доступно: Нет в наличии
