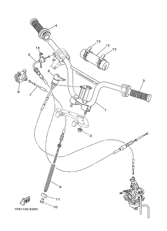
Steering handle & cable
Steering handle & cable
-
029560N-10200-00
Nut, Self-Locking
2Replaced by 956-07102-00-00 Доступно: Нет в наличии
-
051P6-F6311-00-00
Cable, Throttle 1
1Replaced by 1P6-F6311-10-00 Доступно: Нет в наличии
-
061P6-F6331-00-00
Кабель стартера
1Replaced by 1P6-F6331-10-00 Доступно: Нет в наличии
-
091P6-F6314-00-00
Spring, Pilot Adjusting
1Replaced by 1P6-F6314-01-00 Доступно: Нет в наличии
-
1090249-12808-00
Наконечник тяги
0Replaced by 90249-12008-00 Доступно: Нет в наличии
-
1490465-13M11-00
Хомут пластмассовый
1Replaced by 80L-26397-00-00 Доступно: Нет в наличии
