Frame
Frame
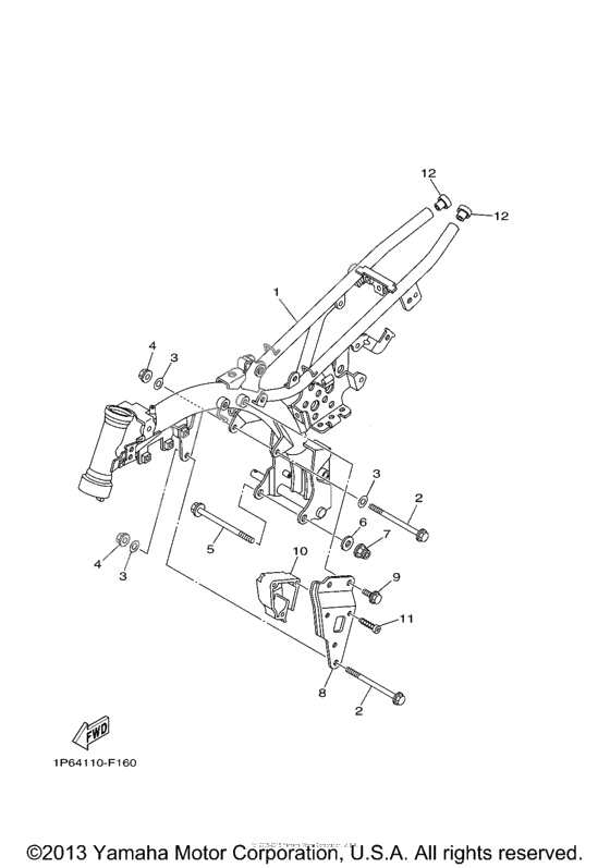
FRAME COMP (Ref #1)
1
Part #1P6-F1110-20-00
Болт (Ref #2)
2
Part #90105-08097-00
Болт (Ref #2)
2
Part #90105-08097-00
Болт (Ref #2)
2
Part #90105-08097-00
Болт (Ref #2)
2
Part #90105-08097-00
Гайка, самоблокирующаяся (Ref #4)
4
Part #901-85081-69-00
Гайка, самоблокирующаяся (Ref #4)
4
Part #901-85081-69-00
Гайка, самоблокирующаяся (Ref #4)
4
Part #901-85081-69-00
Гайка, самоблокирующаяся (Ref #4)
4
Part #901-85081-69-00
Болт (Ref #5)
5
Part #90105-10123-00
Washer, Plate (Ref #6)
6
Part #92907-10200-00
Nut, U Flange (Ref #7)
7
Part #956-07102-00-00
Stay, Engine 7 (Ref #8)
8
Part #1P6-F1387-01-00
COVER (Ref #9)
9
Part #1P6-F117F-00-00
BOLT (Ref #9)
9
Part #901-0508X-15-00
Screw, Pan Head (Ref #11)
11
Part #97707-50516-00
Пробка (Ref #12)
12
Part #90338-16802-00
Пробка (Ref #12)
12
Part #90338-16802-00
Пробка (Ref #12)
12
Part #90338-16802-00
Пробка (Ref #12)
12
Part #90338-16802-00
-
495607-08200-00
Гайка, самоблокирующаяся
2Replaced by 901-85081-69-00 Доступно: Нет в наличии
-
81P6-F1387-00-00
Stay, Engine 7
1Replaced by 1P6-F1387-01-00 Доступно: Нет в наличии
