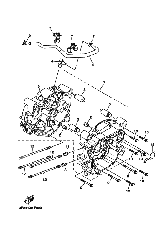
Картер
Картер
Crankcase Assy (Ref #1)
1
Part #5HN-15100-01-00
Pin, Dowel (Ref #2)
2
Part #99530-10114-00
Pin, Dowel (Ref #2)
2
Part #99530-10114-00
Pin, Dowel (Ref #2)
2
Part #99530-10114-00
Pin, Dowel (Ref #2)
2
Part #99530-10114-00
BREATHER (Ref #4)
4
Part #4GL-15371-01-00
Трубка, сапун 1 (Ref #5)
5
Part #3P2-11166-00-00
CLIP (Ref #6)
6
Part #90467-13133-00
CLIP (Ref #6)
6
Part #90467-13133-00
CLIP (Ref #6)
6
Part #90467-13133-00
CLIP (Ref #6)
6
Part #90467-13133-00
CLAMP (Ref #7)
7
Part #90464-15192-00
CLAMP (Ref #7)
7
Part #90464-15192-00
CLAMP (Ref #7)
7
Part #90464-15192-00
CLAMP (Ref #7)
7
Part #90464-15192-00
BOLT (Ref #8)
8
Part #95814-06075-00
BOLT (Ref #9)
9
Part #95022-06060-00
BOLT (Ref #9)
9
Part #95022-06060-00
BOLT (Ref #9)
9
Part #95022-06060-00
BOLT (Ref #9)
9
Part #95022-06060-00
PLATE (Ref #13)
13
Part #5HN-15191-00-00
