Cylinder head
Cylinder head
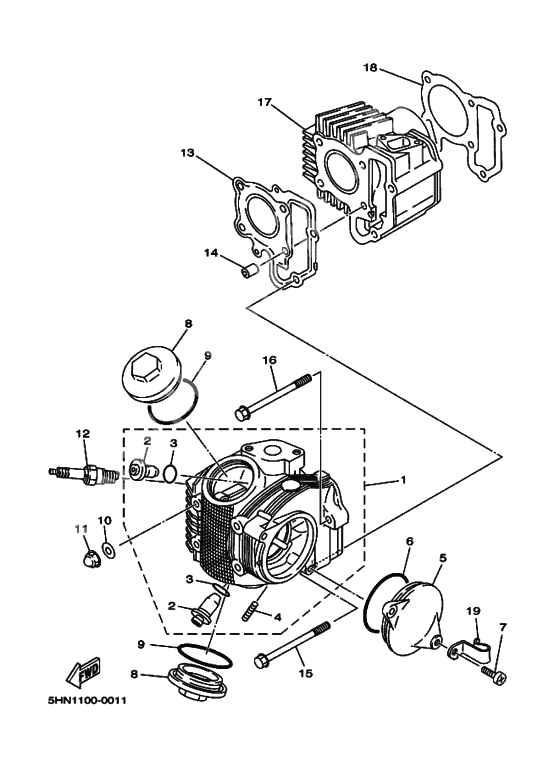
Блок цилиндров (Ref #1)
1
Part #4GL-11110-11-00
バルブ ガイド (Ref #2)
2
Part #4GL-11134-10-00
バルブ ガイド (Ref #2)
2
Part #4GL-11134-10-00
バルブ ガイド (Ref #2)
2
Part #4GL-11134-10-00
バルブ ガイド (Ref #2)
2
Part #4GL-11134-10-00
Washer, Needle Valve (Ref #3)
3
Part #93210-09418-00
Washer, Needle Valve (Ref #3)
3
Part #93210-09418-00
Washer, Needle Valve (Ref #3)
3
Part #93210-09418-00
Washer, Needle Valve (Ref #3)
3
Part #93210-09418-00
BOLT, STUD (Ref #4)
4
Part #22F-14651-00-00
Крышка головки цилиндров, боковая 1 (Ref #5)
5
Part #50M-11185-10-00
Washer, Needle Valve (Ref #6)
6
Part #93210-63556-00
Screw, Pan Head (Ref #7)
7
Part #98507-06016-00
Крышка головки цилиндров, боковая 2 (Ref #8)
8
Part #22F-11186-10-00
Крышка головки цилиндров, боковая 2 (Ref #8)
8
Part #22F-11186-10-00
Крышка головки цилиндров, боковая 2 (Ref #8)
8
Part #22F-11186-10-00
Крышка головки цилиндров, боковая 2 (Ref #8)
8
Part #22F-11186-10-00
Washer, Needle Valve (Ref #9)
9
Part #93210-44704-00
Washer, Needle Valve (Ref #9)
9
Part #93210-44704-00
Washer, Needle Valve (Ref #9)
9
Part #93210-44704-00
Washer, Needle Valve (Ref #9)
9
Part #93210-44704-00
Шайба (Ref #10)
10
Part #90201-080L7-00
Гайка корончатая (Ref #11)
11
Part #90176-08026-00
Plug, Spark (Nd U20Fsr-U) (Ref #12)
12
Part #SPL-U20FS-RU-00
Свеча зажигания (NGK CR6HSA) (Ref #12)
12
Part #CR6-HSA00-00-00
Прокладка головки цилиндров (Ref #13)
13
Part #4GL-11181-00-00
Pin, Dowel (Ref #14)
14
Part #99530-10114-00
BOLT (Ref #16)
16
Part #95027-06085-00
CYLINDER (Ref #17)
17
Part #4GL-11311-01-00
Gasket, Cylinder (Ref #18)
18
Part #5HN-11351-00-00
CLAMP (Ref #19)
19
Part #90465-08230-00
-
550M-11185-01-00
Крышка головки цилиндров, боковая 1
1Replaced by 50M-11185-10-00 Доступно: Нет в наличии
-
822F-11186-00-00
Крышка головки цилиндров, боковая 2
2Replaced by 22F-11186-10-00 Доступно: Нет в наличии
-
1294701-00283-00
Plug, Spark (Nd U20Fsr-U)
1Replaced by CR6-HSA00-00-00 Доступно: Нет в наличии
-
1294701-00372-00
Свеча зажигания (NGK CR6HSA)
1Replaced by CR6-HSA00-00-00 Доступно: Нет в наличии
