Equipo electrico
Equipo electrico
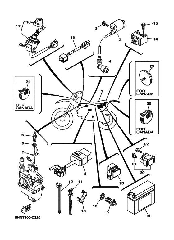
Wire Harness Assy (Ref #1)
1
Part #5HN-82590-10-00
Катушка зажигания (Ref #2)
2
Part #3KJ-82310-11-00
BOLT (Ref #3)
3
Part #950-27060-20-00
Plug Cap Assy (Ref #4)
4
Part #4BP-82370-00-00
Коммутатор (Ref #5)
5
Part #5HN-85540-00-00
Нагреватель (Ref #6)
6
Part #5FU-83790-20-00
. . インシユレータ, ターミナル (Ref #7)
7
Part #5FU-82103-00-00
Washer, Plate (Ref #8)
8
Part #90201-08016-00
Нейтральный переключатель (Ref #9)
9
Part #4KM-82540-00-00
Шайба-прокладка (Ref #10)
10
Part #90430-10171-00
Clamp 1 (Ref #11)
11
Part #5Y9-12491-00-00
Комплект переключателяя (Ref #12)
12
Part #437-83936-11-00
Выключатель температурный (Ref #13)
13
Part #5FU-82560-50-00
Выпрямитель и регулятор (Ref #14)
14
Part #4CK-81960-01-00
BOLT (Ref #15)
15
Part #95027-06012-00
CLAMP (Ref #16)
16
Part #90464-25217-00
MAIN SWITCH ASSY (Ref #17)
17
Part #5HN-82510-00-00
Колпачок ключа (Ref #18)
18
Part #3HN-82579-00-00
Gt4B5 Gs Battery - (Ref #19)
19
Part #YT4-BBS00-00-00
Battery Assy(Gt4B-5 12V-2.5Ah) (Ref #19)
19
Part #GT4-B5000-00-00
Реле (Ref #20)
20
Part #5HH-81940-02-00
Fuse (10A-Bl) (Ref #21)
21
Part #42X-82151-00-00
BOLT (Ref #22)
22
Part #95027-06008-00
Relay Assy (8Dm-00) (Ref #23)
23
Part #8DM-81950-00-00
Reflector, Front 1 (Ref #24)
24
Part #2EK-85111-00-00
Светоотражатель (Ref #25)
25
Part #449-85131-02-00
Светоотражатель (Ref #25)
25
Part #449-85131-02-00
Светоотражатель (Ref #25)
25
Part #449-85131-02-00
Светоотражатель (Ref #25)
25
Part #449-85131-02-00
-
24KJ-82310-10-00
Катушка зажигания
1Replaced by 3KJ-82310-10-00 Доступно: Нет в наличии
-
23KJ-82310-10-00
Катушка зажигания
1Replaced by 3KJ-82310-11-00 Доступно: Нет в наличии
-
1090430-10188-00
Washer, Needle Valve
1Replaced by 90430-10171-00 Доступно: Нет в наличии
-
194JS-82100-01-00
Gt4B5 Gs Battery -
1Replaced by GT4-B5000-00-00 Доступно: Нет в наличии
